跳转到主要内容
瑞萨电子 (Renesas Electronics Corporation)
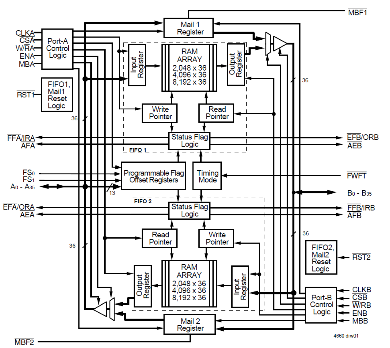
4K x 36 x 2 SyncBiFIFO, 3.3V

封装信息

CAD 模型:View CAD Model
Pkg. Type:TQFP
Pkg. Code:PN120
Lead Count (#):120
Pkg. Dimensions (mm):14.0 x 14.0 x 1.4
Pitch (mm):0.4

环境和出口类别

Pb (Lead) FreeNo
Moisture Sensitivity Level (MSL)3
ECCN (US)
HTS (US)

产品属性

Pkg. TypeTQFP
Lead Count (#)120
Pb (Lead) FreeNo
Carrier TypeReel
ArchitectureBi-directional
Bus Width (bits)36
Core Voltage (V)3.3
Density (Kb)288
Family NameSyncBiFIFO
FunctionMailbox
I/O Frequency (MHz)100 - 100
I/O Type3.3 V LVTTL
InterfaceSynchronous
Length (mm)14
MOQ750
Moisture Sensitivity Level (MSL)3
Organization4K x 36 x 2
Package Area (mm²)196
Pb Free Categorye0
Pitch (mm)0.4
Pkg. Dimensions (mm)14.0 x 14.0 x 1.4
Qty. per Carrier (#)0
Qty. per Reel (#)750
Reel Size (in)13
Requires Terms and ConditionsDoes not require acceptance of Terms and Conditions
Tape & ReelYes
Temp. Range (°C)0 to 70°C
Thickness (mm)1.4
Width (mm)14

描述

The 72V3662 is a 3.3V CMOS Bidirectional SyncFIFO (clocked) memories. Two independent 4K x 36 dual-port SRAM FIFOs on board each chip buffer data in opposite directions. The clocks for each port are independent of one another and can be asynchronous or coincident. The enables for each port are arranged to provide a simple bidirectional interface between microprocessors and/or buses with synchronous control.