跳转到主要内容
瑞萨电子 (Renesas Electronics Corporation)
8K x 36 SyncFIFO, 3.3V

封装信息

CAD 模型:View CAD Model
Pkg. Type:TQFP
Pkg. Code:PK128
Lead Count (#):128
Pkg. Dimensions (mm):20.0 x 14.0 x 1.4
Pitch (mm):0.5

环境和出口类别

Pb (Lead) FreeNo
Moisture Sensitivity Level (MSL)3
ECCN (US)
HTS (US)

产品属性

Lead Count (#)128
Pb (Lead) FreeNo
Carrier TypeTray
ArchitectureUni-directional
Bus Width (bits)36
Core Voltage (V)3.3
Density (Kb)288
Family NameSyncFIFO
FunctionBus Matching
I/O Frequency (MHz)100 - 100
I/O Type3.3 V LVTTL
InterfaceSynchronous
Length (mm)20
MOQ36
Moisture Sensitivity Level (MSL)3
Organization8K x 36
Package Area (mm²)280
Pb Free Categorye0
Pitch (mm)0.5
Pkg. Dimensions (mm)20.0 x 14.0 x 1.4
Pkg. TypeTQFP
Qty. per Carrier (#)72
Qty. per Reel (#)0
Requires Terms and ConditionsDoes not require acceptance of Terms and Conditions
Tape & ReelNo
Temp. Range (°C)0 to 70°C
Thickness (mm)1.4
Width (mm)14
已发布No

描述

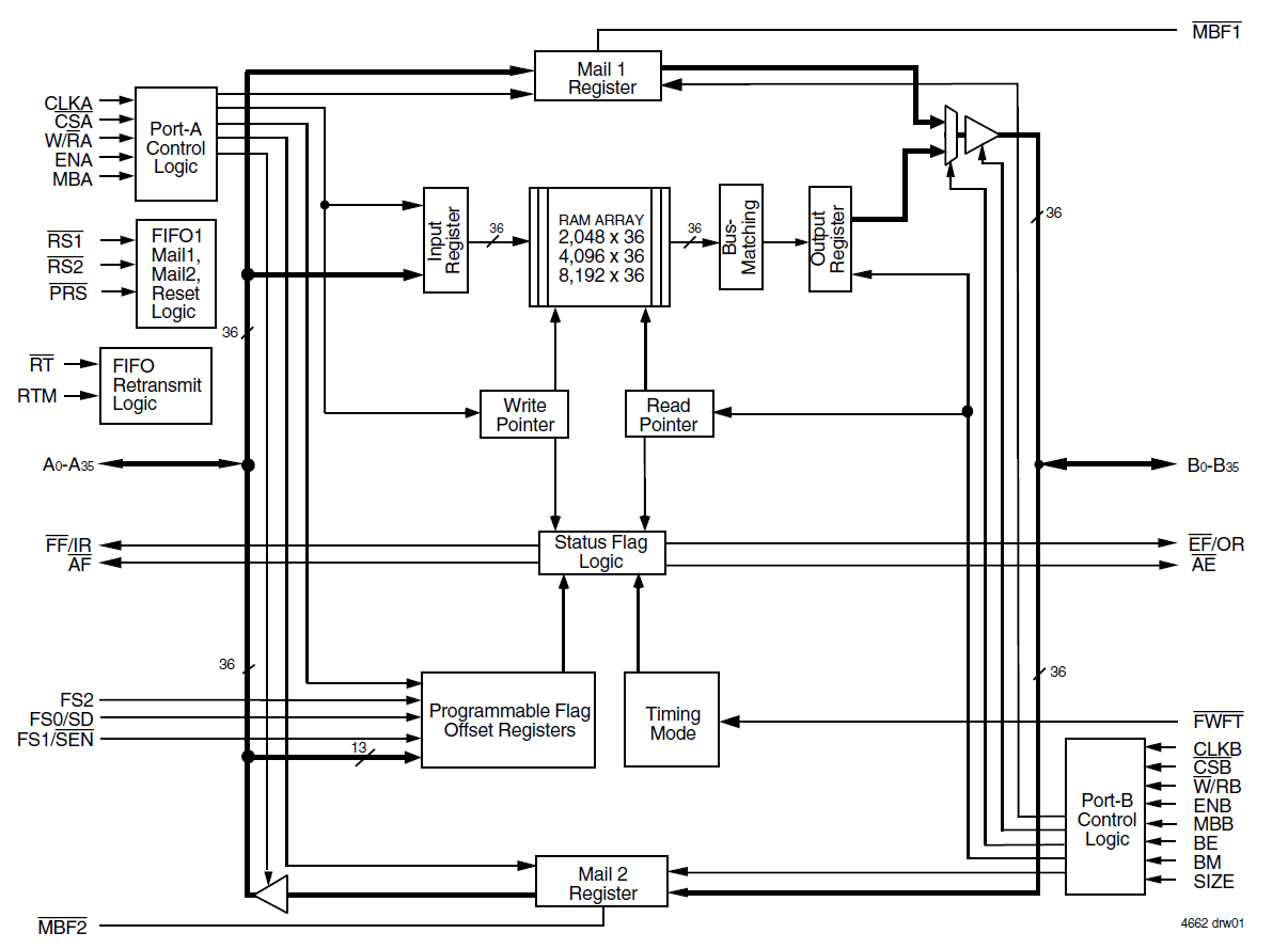
The 72V3673 is a 8K x 36 Sync FIFO that is a 3.3V version of the 723673. The clocks for each port are independent of one another and can be asynchronous or coincident. The enables for each port are arranged to provide a simple bidirectional interface between microprocessors and/or buses with synchronous control. Communication between each port may bypass the FIFO via two mailbox registers. The FIFO has Retransmit capability which resets the read pointer to the first memory location. This device can operate in IDT Standard mode or First Word Fall Through mode.