跳转到主要内容
瑞萨电子 (Renesas Electronics Corporation)

特性

  • Typical tSK(o) (Output Skew) 250ps
  • ESD > 2000V per MIL-STD-883, Method 3015
  • > 200V using
  • machine model (C = 200pF, R = 0) VCC = 3.3V ± 0.3V, Normal Range
  • VCC = 2.7V to 3.6V, Extended Range
  • VCC = 2.5V ± 0.2V
  • CMOS power levels (0.4 uW typ. static)
  • Rail-to-Rail output swing for increased noise margin
  • Available in 48 pin TSSOP package

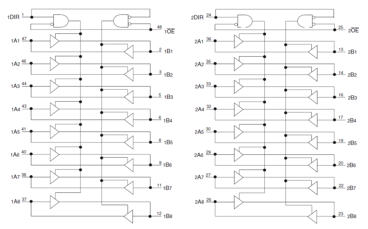
描述

The 74ALVC162245 16-bit bus transceiver is designed for asynchronous communication between data buses and can be used as two 8-bit transceivers or one 16-bit transceiver. The output-enable (OE) input can be used to disable the device so that the buses are effectively isolated. The 74ALVC162245 has series resistors in the device output structure of the "A" port which will significantly reduce line noise when used with light loads. The 74ALVC162245 operates at -40C to +85C

当前筛选条件