跳转到主要内容
瑞萨电子 (Renesas Electronics Corporation)

特性

  • Typical tSK(o) (Output Skew) 250ps
  • ESD > 2000V per MIL-STD-883, Method 3015
  • > 200V using machine model (C = 200pF, R = 0)
  • VCC = 3.3V ± 0.3V, Normal Range
  • VCC = 2.7V to 3.6V, Extended Range
  • VCC = 2.5V ± 0.2V
  • CMOS power levels (0.4 uW typ. static)
  • Rail-to-Rail output swing for increased noise margin
  • Balanced Output Drivers: ±12mA
  • Available in 48 pin TSSOP package

描述

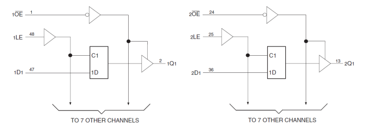
The 74ALVCH162373 16-bit transparent D-type latch is particularly suitable for implementing buffer registers, I/O ports, bidirectional bus drivers, and working registers. This device can be used as two 8-bit latches or one16-bit latch. The 74ALVCH162373 has series resistors in the device output structure which will significantly reduce line noise when used with light loads. The 74ALVCH162373 has "bus-hold" which prevents floating inputs and eliminates the need for pull-up/down resistor. The 74ALVCH162373 operates at -40C to +85C

当前筛选条件