跳转到主要内容
瑞萨电子 (Renesas Electronics Corporation)

特性

  • Typical tSK(o) (Output Skew) < 250ps
  • ESD > 2000V per MIL-STD-883, Method 3015
  • > 200V using
  • machine model (C = 200pF, R = 0)
  • VCC = 3.3V ± 0.3V, Normal Range
  • VCC = 2.7V to 3.6V, Extended Range
  • VCC = 2.5V ± 0.2V
  • CMOS power levels (0.4 uW typ. static)
  • Rail-to-Rail output swing for increased noise margin
  • High Output Drivers: ±24mA
  • Available in 56 pin TSSOP package

描述

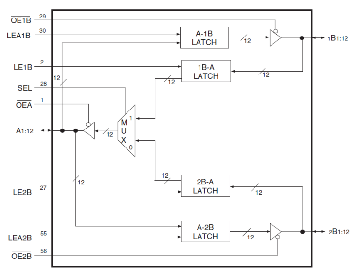
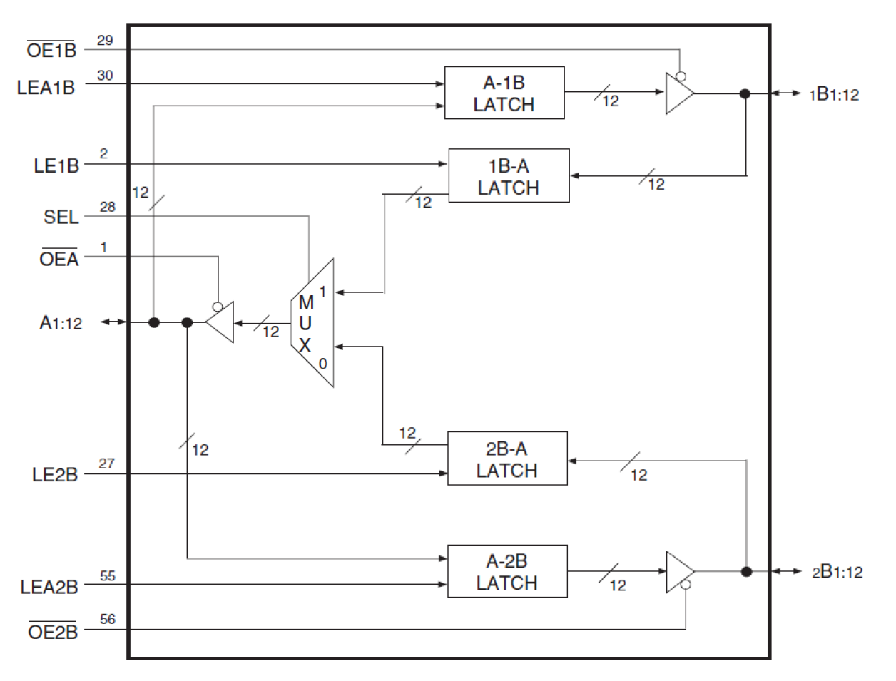
The 74ALVCH16260 12-bit to 24-bit multiplexed D-type latch is used in applications in which two separate data paths must be multiplexed onto, or demultiplexed from, a single data path. Typical applications include multiplexing and/or demultiplexing address and data information in microprocessor or bus-interface applications. This device also is useful in memory interleaving applications. The 74ALVCH16260 has "bus-hold" which prevents floating inputs and eliminates the need for pull-up/down resistors. The 74ALVCH16260 operates at -40C to +85C

当前筛选条件