跳转到主要内容
瑞萨电子 (Renesas Electronics Corporation)

特性

  • 5 ohm A/B bi-directional switch
  • Isolation Under Power-Off Conditions
  • Over-voltage tolerant
  • Latch-up performance exceeds 100mA
  • VCC = 2.3V - 3.6V, normal range
  • ESD >2000V per MIL-STD-883, Method 3015
  • >200V using
  • machine model (C = 200pF, R = 0)
  • Available in 56 pin TSSOP package

描述

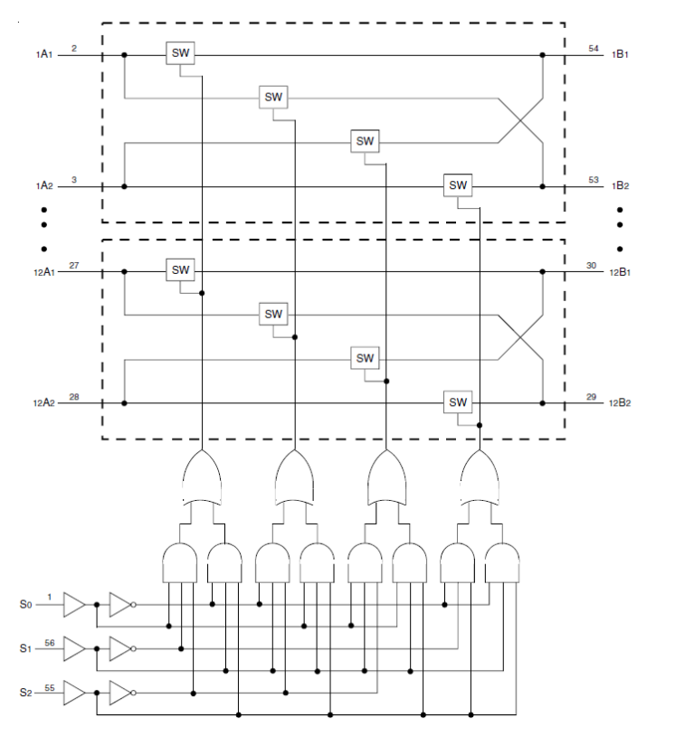
The 74CBTLV16212 provides a set of 24 high-speed switches for bus exchanging and switching with low ON resistance, resulting in under 250ps propagation delay through the switch. The 74CBTLV16212 operates as a single 24-bit bus switch or as a 12-bit bus exchanger. The 74CBTLV16212 operates at -40C to +85C

当前筛选条件