| CAD 模型: | View CAD Model |
| Pkg. Type: | QSOP |
| Pkg. Code: | PCG24 |
| Lead Count (#): | 24 |
| Pkg. Dimensions (mm): | 8.7 x 3.8 x 1.47 |
| Pitch (mm): | 0.64 |
| Pb (Lead) Free | Yes |
| Moisture Sensitivity Level (MSL) | 1 |
| ECCN (US) | EAR99 |
| HTS (US) | 8542.39.0090 |
| Lead Count (#) | 24 |
| Pb (Lead) Free | Yes |
| Carrier Type | Reel |
| Moisture Sensitivity Level (MSL) | 1 |
| Country of Assembly | TAIWAN |
| Country of Wafer Fabrication | TAIWAN, UNITED STATES |
| Bus Width (bits) | 10 |
| Core Voltage (V) | 3.3 |
| Function | Bus Switch |
| Length (mm) | 8.7 |
| MOQ | 3000 |
| On Resistance (Ω) | 5 |
| Package Area (mm²) | 33.1 |
| Pb Free Category | e3 Sn |
| Pitch (mm) | 0.64 |
| Pkg. Dimensions (mm) | 8.7 x 3.8 x 1.47 |
| Pkg. Type | QSOP |
| Qty. per Carrier (#) | 0 |
| Qty. per Reel (#) | 3000 |
| Reel Size (in) | 13 |
| Requires Terms and Conditions | Does not require acceptance of Terms and Conditions |
| Speed Grade | Standard |
| Tape & Reel | Yes |
| Temp. Range (°C) | -40 to 85°C |
| Thickness (mm) | 1.47 |
| Width (mm) | 3.8 |
| 已发布 | No |
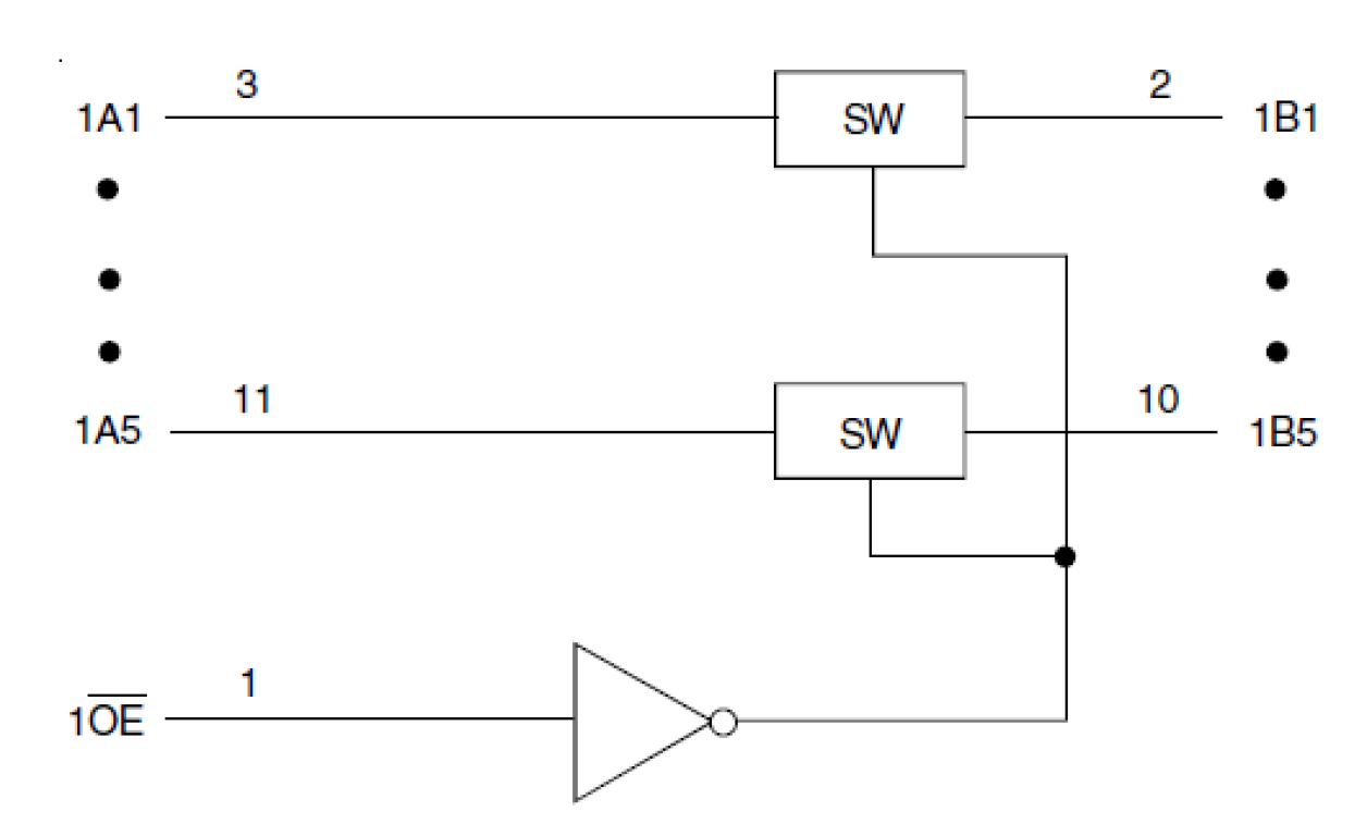
The 74CBTLV3384 is a 10-bit high-speed bus switch with low on-state resistance of the switch allowing connections to be made with minimal propagation delay. The device is organized as dual 5-bit bus switches with separate Output Enable (OE) inputs to allow use as two 5-bit bus switches or one 10-bit bus switch. The 74CBTLV3384 operates at -40 °C to +85 °C.