跳转到主要内容
瑞萨电子 (Renesas Electronics Corporation)

特性

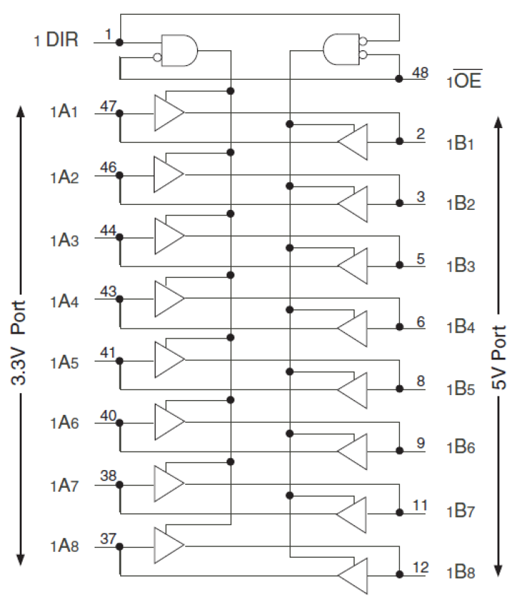
  • Bidirectional interface between 3.3V and 5V buses
  • Control inputs can be driven from either 3.3V or 5V circuits
  • ESD > 2000V per MIL-STD-883, Method 3015
  • > 200V using machine model (C = 200pF, R = 0)
  • VCC1 = 5V ±10%, VCC2 = 2.7V to 3.6V
  • High drive outputs (-32mA IOH, 64mA IOL) on 5V port
  • Power off disable on both ports permits "live insertion"
  • Typical VOLP (Output Ground Bounce) < 0.9V at VCC1 = 5V, VCC2 = 3.3V, TA = 25 °C
  • Available in 48-pin SSOP and TSSOP packages

描述

The 74FCT164245T 16-bit high-speed, low-power 3.3V to 5V translator is designed to interface between a 3.3V bus and a 5V bus in a mixed 3.3V/5V supply environment. This enables system designers to interface TTL-compatible 3.3V components with 5V components. The Direction and Output Enable controls operate these devices as either two independent 8-bit transceivers or one 16-bit transceiver. The 74FCT164245T is ideally suited for driving high-capacitance loads and low-impedance backplanes. The 74FCT164245T operates at -40 °C to +85 °C.

产品参数

属性
FunctionOther
Pkg. CodePAG48, PVG48
Temp. Range (°C)-40 to 85°C
Bus Width (bits)16
Core Voltage (V)3.3
Speed GradeStandard

封装选项

Pkg. TypePkg. Dimensions (mm)Lead Count (#)Pitch (mm)
SSOP15.9 x 7.5 x 2.3480.64
TSSOP12.5 x 6.1 x 1.0480.5

当前筛选条件