跳转到主要内容
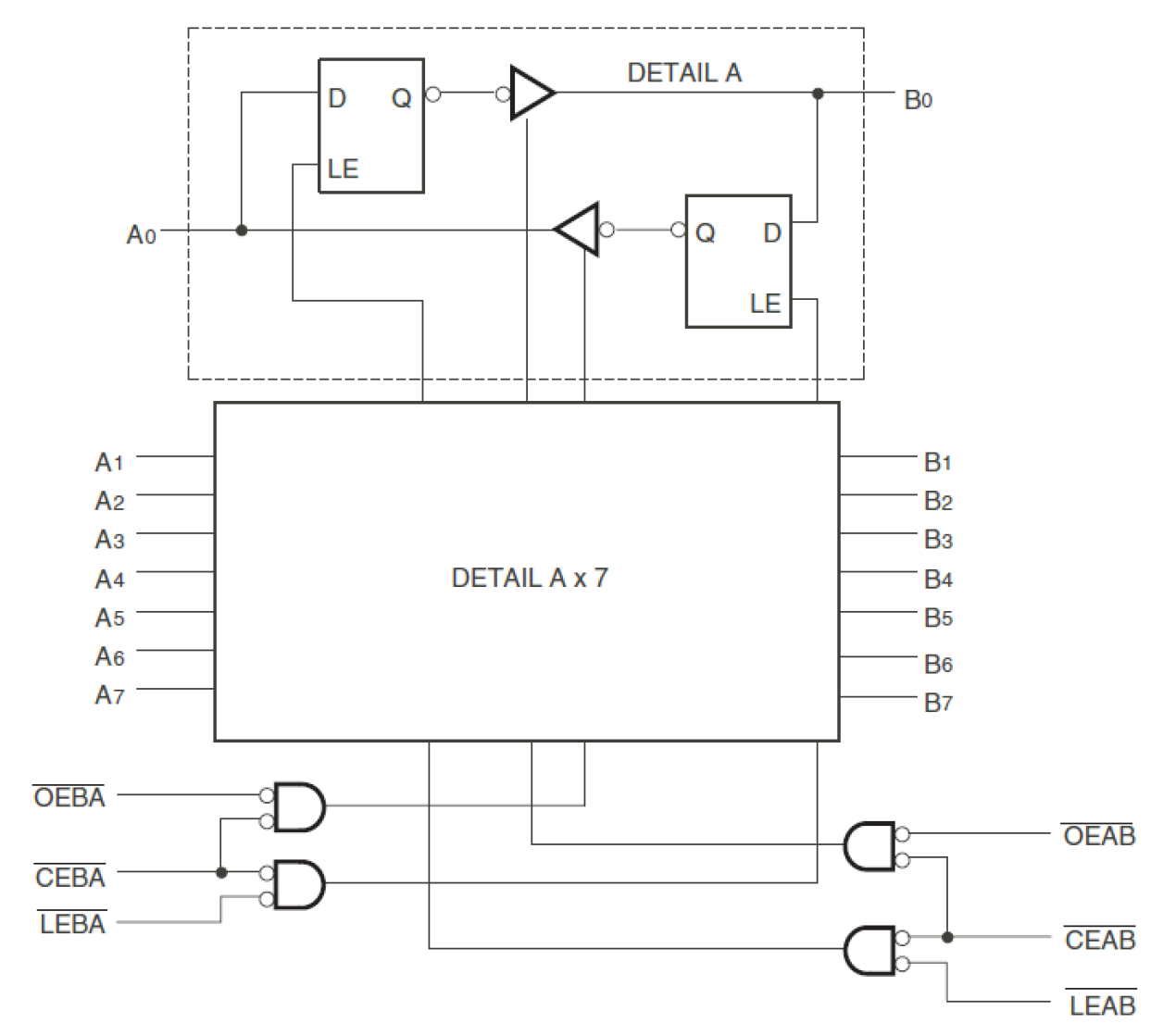
Octal Latched Transceiver

封装信息

CAD 模型:View CAD Model
Pkg. Type:QSOP
Pkg. Code:PCG24
Lead Count (#):24
Pkg. Dimensions (mm):8.7 x 3.8 x 1.47
Pitch (mm):0.64

环境和出口类别

Pb (Lead) FreeYes
Moisture Sensitivity Level (MSL)1
ECCN (US)
HTS (US)

产品属性

Lead Count (#)24
Pb (Lead) FreeYes
Carrier TypeReel
Bus Width (bits)8
Core Voltage (V)5
FunctionTransceiver
Length (mm)8.7
MOQ3000
Moisture Sensitivity Level (MSL)1
Package Area (mm²)33.1
Pb Free Categorye3 Sn
Pitch (mm)0.64
Pkg. Dimensions (mm)8.7 x 3.8 x 1.47
Pkg. TypeQSOP
Qty. per Carrier (#)0
Qty. per Reel (#)3000
Reel Size (in)13
Requires Terms and ConditionsDoes not require acceptance of Terms and Conditions
Speed GradeC
Tape & ReelYes
Temp. Range (°C)-40 to 85°C
Thickness (mm)1.47
Width (mm)3.8
已发布No

描述

The 74FCT543T is a non-inverting octal transceiver that contains two sets of eight D-type latches with separate input and output controls for each set. The 74FCT543T operate at -40C to +85C