跳转到主要内容
瑞萨电子 (Renesas Electronics Corporation)

描述

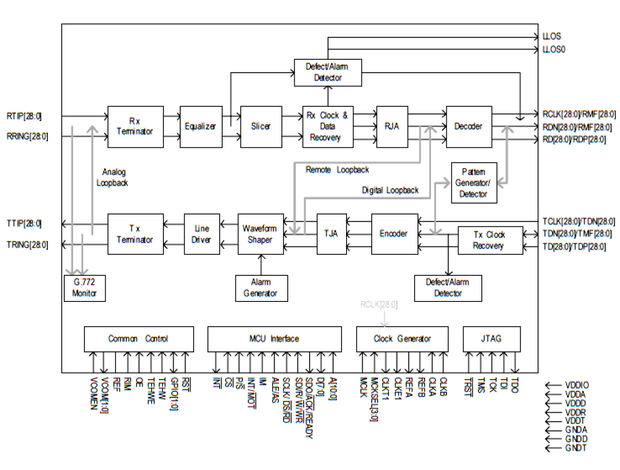
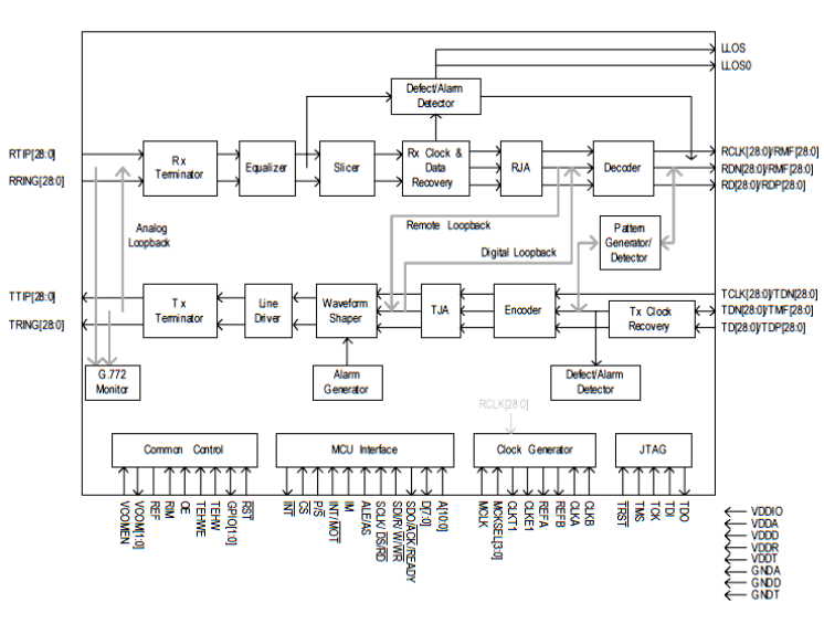
28 (+1)-Channel T1/E1/J1 Short Haul Line Interface Unit. This device has an adaptive equalizer integrated, performs clock.data recovery, line decoding/encoding and has one jitter attenuator. Optimized to be used in LAN, WAN, Routers, Wireless Base Stations, Gateways etc.

当前筛选条件