| CAD 模型: | View CAD Model |
| Pkg. Type: | SSOP |
| Pkg. Code: | PVG56 |
| Lead Count (#): | 56 |
| Pkg. Dimensions (mm): | 18.4 x 7.5 x 2.3 |
| Pitch (mm): | 0.64 |
| Moisture Sensitivity Level (MSL) | 3 |
| Pb (Lead) Free | Yes |
| ECCN (US) | EAR99 |
| HTS (US) | 8542.39.0090 |
| RoHS (82V3010PVG) | 英语日文 |
| Lead Count (#) | 56 |
| Carrier Type | Tube |
| Moisture Sensitivity Level (MSL) | 3 |
| Qty. per Reel (#) | 0 |
| Qty. per Carrier (#) | 26 |
| Pb (Lead) Free | Yes |
| Pb Free Category | e3 Sn |
| Temp. Range (°C) | 0 to 70°C |
| App Jitter Compliance | TR62411, ETS 300 011 |
| Core Voltage (V) | 3.3 |
| Input Freq (MHz) | 0.008 - 0.008, 1.544 - 1.544, 2.048 - 2.048, 19.44 - 19.44 |
| Input Type | LVCMOS |
| Inputs (#) | 2 |
| Lead Compliant | No |
| Length (mm) | 18.4 |
| MOQ | 52 |
| Output Banks (#) | 17 |
| Output Freq Range (MHz) | 0.008 - 0.008, 1.544 - 1.544, 3.088 - 3.088, 6.312 - 6.312, 2.048 - 2.048, 4.096 - 4.096, 8.192 - 8.192, 16.384 - 16.384, 19.44 - 19.44, 32.768 - 32.768 |
| Output Type | LVCMOS, LVDS |
| Output Voltage (V) | 3.3 |
| Outputs (#) | 17 |
| Package Area (mm²) | 138 |
| Pitch (mm) | 0.64 |
| Pkg. Dimensions (mm) | 18.4 x 7.5 x 2.3 |
| Pkg. Type | SSOP |
| Product Category | IEEE 1588, Network Synchronization |
| Prog. Clock | No |
| Requires Terms and Conditions | Does not require acceptance of Terms and Conditions |
| Tape & Reel | No |
| Thickness (mm) | 2.3 |
| Width (mm) | 7.5 |
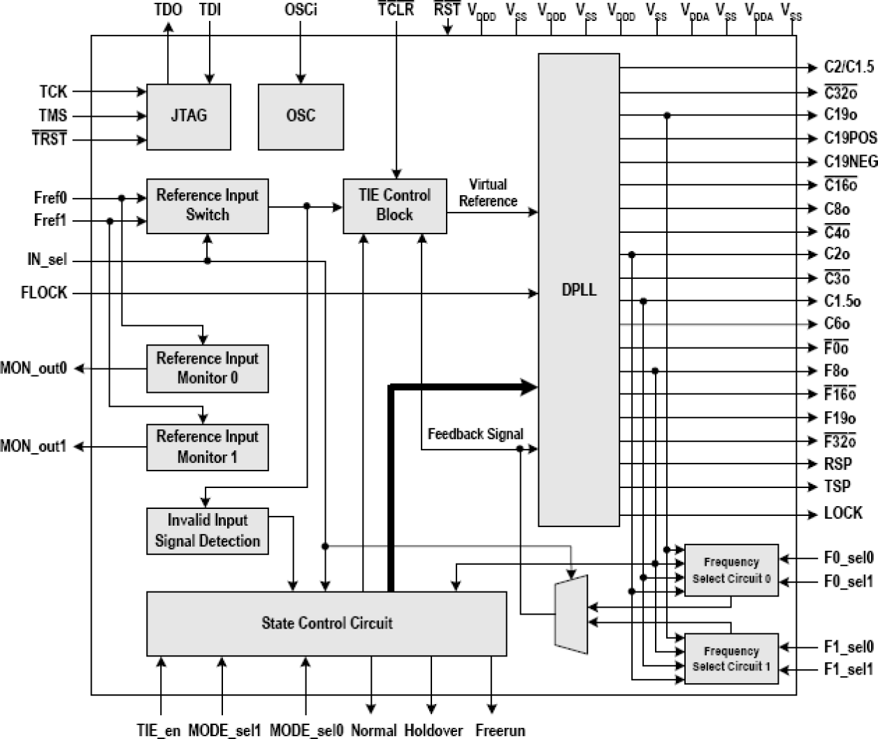
The 82V3010 is a T1/E1/OC3 telecom clock generator with dual reference inputs. It contains a Digital Phase-Locked Loop (DPLL), which generates low jitter ST-BUS and 19.44 MHz clock and framing signals that are phase locked to an 8 kHz, 1.544 MHz, 2.048 MHz or 19.44 MHz input reference. The 82V3010 provides 9 types of clock signals (C1.5o, C3o, C6o, C2o, C4o, C8o, C16o, C19o, C32o) and 7 types of framing signals (F0o, F8o, F16o, F19o, F32o, RSP, TSP) for multitrunk T1/E1 and STS3/OC3 links. The 82V3010 is compliant with AT&T TR62411 and ETSI ETS 300 011. It meets the jitter/wander tolerance, jitter/wander transfer, intrinsic jitter/wander, frequency accuracy, capture range, phase change slope, holdover frequency accuracy and MTIE (Maximum Time Interval Error) requirements for these specifications. The 82V3010 can be used in synchronization and timing control for T1, E1 and OC3 systems, or used as ST-BUS clock and frame pulse source. It also can be used in access switch, access routers, ATM edge switches, wireless base station controllers, or IADs (Integrated Access Devices), PBXs, line cards and SONET/SDH equipments.