跳转到主要内容
瑞萨电子 (Renesas Electronics Corporation)

特性

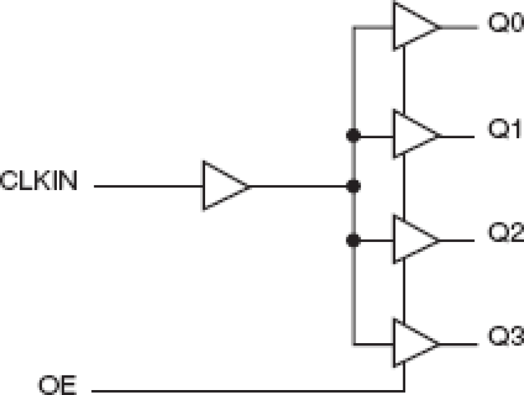
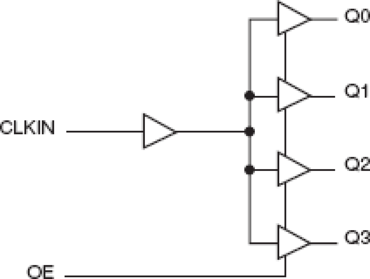
  • General purpose and PCI-X 1:4 clock buffer
  • Four single-ended LVCMOS/LVTTL clock outputs
  • One single-ended LVCMOS/LVTTL clock input
  • Maximum output frequency: 140MHz
  • Output enable control (outputs disabled in logic low state)
  • Output skew: 100ps (maximum)
  • Part-to-part skew: 400ps (maximum)
  • Additive phase jitter, RMS: 0.15ps (typical)
  • Space-saving 8 lead TSSOP package
  • Full 3.3V operating supply mode
  • -40°C to 85°C ambient operating temperature
  • Available in lead-free (RoHS 6) packages

描述

The 830584I is a low skew, general purpose PCI-X 1-to-4 Fanout Buffer and a member of the family of High Performance Clock Solutions from IDT. Guaranteed output and partto- part skew characteristics make the 830584I ideal for those clock distribution applications demanding well defined performance and repeatability. The 830584I is designed and characterized from -40°C to 85°C for industrial applications and is packaged in an 8 TSSOP package.

当前筛选条件