跳转到主要内容
瑞萨电子 (Renesas Electronics Corporation)

特性

  • Four single-ended LVCMOS/LVTTL clock outputs
  • One REF_OUT LVCMOS/LVTTL clock output
  • Selectable crystal oscillator interface, 25MHz, 18pF parallel
    resonant crystal or LVCMOS/LVTTL single-ended reference input
  • Supports the following output frequencies on either bank:
    33.33MHz, 50MHz, 66.67MHz, 83.33MHz, 100MHz, 125MHz,
    133.33MHz, and 166.67MHz
  • VCO: 2GHz
  • Slew rate control
  • Output supply modes:
    Core/Output
    3.3V/3.3V
    3.3V/2.5V
  • -40°C to 85°C ambient operating temperature
  • Lead-free (RoHS 6) packaging​

描述

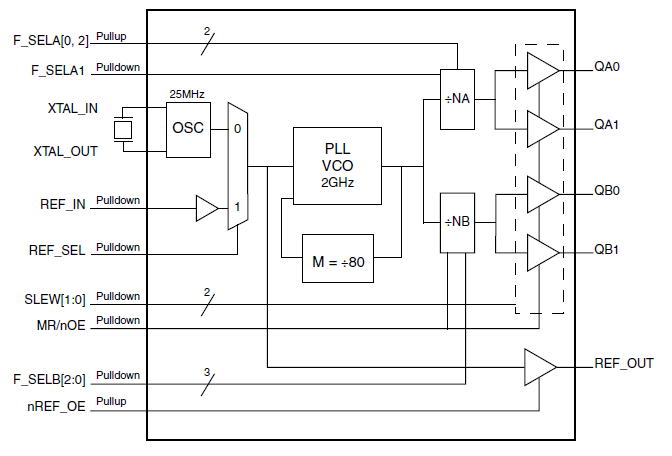
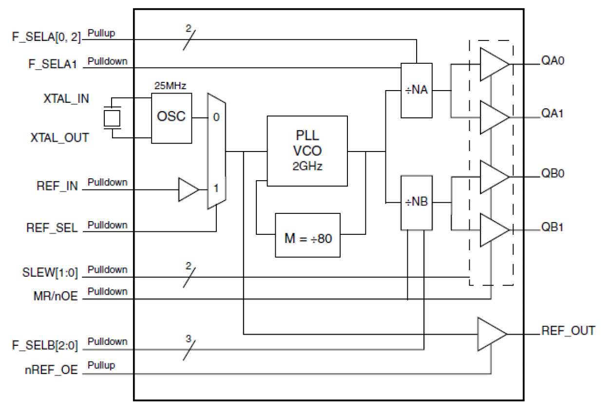
The 840S05I is a four output, Crystal or single ended-to-LVCMOS/LVTTL Frequency Synthesizer and a member of family of high performance clock solutions from IDT. The 840S05I uses a 25MHz parallel resonant crystal to generate 33.33MHz – 166.67MHz clock signals, replacing solutions requiring multiple oscillator and fan-out buffer solution. The device supports output slew rate control with two slew select pins (SLEW[1:0]). The VCO operates at a frequency of 2GHz. The device has 2 output banks, Bank A with two 33.33MHz – 166.67MHz LVCMOS/LVTTL outputs and Bank B with two 33.33MHz – 166.67MHz LVCMOS/LVTTL outputs.

The two banks have their own dedicated frequency select pins and can be independently set for the frequencies mentioned above. The low phase noise characteristic of the 840S05I makes it an ideal clock source for Gigabit Ethernet application. Designed for networking and industrial applications, the 840S05I can also drive the high-speed clock inputs of communication processors, DSPs, switches and bridges.

当前筛选条件