跳转到主要内容
Crystal-to-LVCMOS/LVTTL Frequency Synthesizer

封装信息

CAD 模型:View CAD Model
Pkg. Type:PTQFP
Pkg. Code:DXG32
Lead Count (#):32
Pkg. Dimensions (mm):7.0 x 7.0 x 1.0
Pitch (mm):0.8

环境和出口类别

Moisture Sensitivity Level (MSL)3
Pb (Lead) FreeYes
ECCN (US)EAR99
HTS (US)8542.39.0090

产品属性

Lead Count (#)32
Carrier TypeTray
Moisture Sensitivity Level (MSL)3
Qty. per Reel (#)0
Qty. per Carrier (#)250
Pb (Lead) FreeYes
Pb Free Categorye3 Sn
Temp. Range (°C)-40 to 85°C
Advanced FeaturesReference Output
C-C Jitter Max P-P (ps)90
Core Voltage (V)3.3
Feedback InputNo
Input Freq (MHz)25 - 25
Input TypeCrystal, LVCMOS
Inputs (#)2
Length (mm)7
MOQ250
Output Banks (#)4
Output Freq Range (MHz)33.33 - 166.67
Output Skew (ps)435
Output TypeLVCMOS
Output Voltage (V)2.5V, 3.3V
Outputs (#)7
Package Area (mm²)49
Period Jitter Max P-P (ps)7
Pitch (mm)0.8
Pkg. Dimensions (mm)7.0 x 7.0 x 1.0
Pkg. TypePTQFP
Product CategoryGeneral Purpose Clocks
Prog. ClockNo
Reference OutputYes
Requires Terms and ConditionsDoes not require acceptance of Terms and Conditions
Spread SpectrumNo
Tape & ReelNo
Thickness (mm)1
Width (mm)7
已发布No

描述

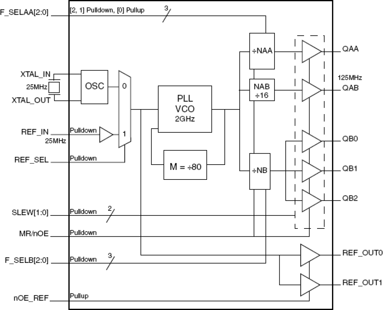
The 840S07I is a seven output LVCMOS/LVTTL Frequency Synthesizer accepting crystal or single-ended reference clock inputs. The 840S07I uses a 25MHz parallel resonant crystal to generate 33.33MHz – 166.67MHz clock signals, replacing solutions requiring multiple oscillator and fanout buffer solutions. The device supports output slew rate control with two slew select pins (SLEW[1:0]). The VCO operates at a frequency of 2GHz. The device has 3 output banks, output QAA with one 33.33MHz – 166.67MHz LVCMOS/LVTTL output, output QAB with one 125MHz LVCMOS/LVTTL output and Bank B with three 33.33MHz – 166.67MHz LVCMOS/LVTTL outputs. Output QAA and Bank B have their own dedicated frequency select pins and can be independently set for the frequencies mentioned above. Designed for networking and industrial applications, the 840S07I can also drive the high-speed clock inputs of communication processors, DSPs, switches and bridges.