跳转到主要内容
瑞萨电子 (Renesas Electronics Corporation)
700MHz, FemtoClock VCXO Based SONET/SDH Jitter Attenuator

封装信息

CAD 模型:View CAD Model
Pkg. Type:VFQFPN
Pkg. Code:NLG32
Lead Count (#):32
Pkg. Dimensions (mm):5.0 x 5.0 x 0.9
Pitch (mm):0.5

环境和出口类别

Moisture Sensitivity Level (MSL)3
Pb (Lead) FreeYes
ECCN (US)EAR99
HTS (US)8542.39.0090

产品属性

Lead Count (#)32
Carrier TypeReel
Moisture Sensitivity Level (MSL)3
Qty. per Reel (#)2500
Qty. per Carrier (#)0
Pb (Lead) FreeYes
Pb Free Categorye3 Sn
Temp. Range (°C)-40 to 85°C
Abs. Pull Range Min. (± PPM)100
Advanced FeaturesXTAL to LVPECL Synthesizer
Core Voltage (V)3.3
Feedback InputNo
Input Freq (MHz)19.44 - 19.44, 38.88 - 38.88, 77.76 - 77.76, 155.52 - 155.52, 311.04 - 311.04, 622.08 - 622.08
Input TypeLVPECL, LVDS, HSTL, SSTL, HCSL, LVCMOS
Inputs (#)2
Length (mm)5
Loop Bandwidth Range (Hz)10 - 100
MOQ2500
Output Banks (#)2
Output Freq Range (MHz)19.44 - 19.44, 77.76 - 77.76, 155.52 - 155.52, 311.04 - 311.04, 622.08 - 622.08
Output Skew (ps)150
Output TypeLVPECL
Output Voltage (V)2.5V, 3.3V
Outputs (#)2
Package Area (mm²)25
Phase Jitter Typ RMS (ps)0.81
Pitch (mm)0.5
Pkg. Dimensions (mm)5.0 x 5.0 x 0.9
Pkg. TypeVFQFPN
Product CategoryJitter Attenuators
Prog. ClockNo
Reel Size (in)13
Requires Terms and ConditionsDoes not require acceptance of Terms and Conditions
Tape & ReelYes
Thickness (mm)0.9
Width (mm)5
Xtal Freq (KHz)19440 - 19440

描述

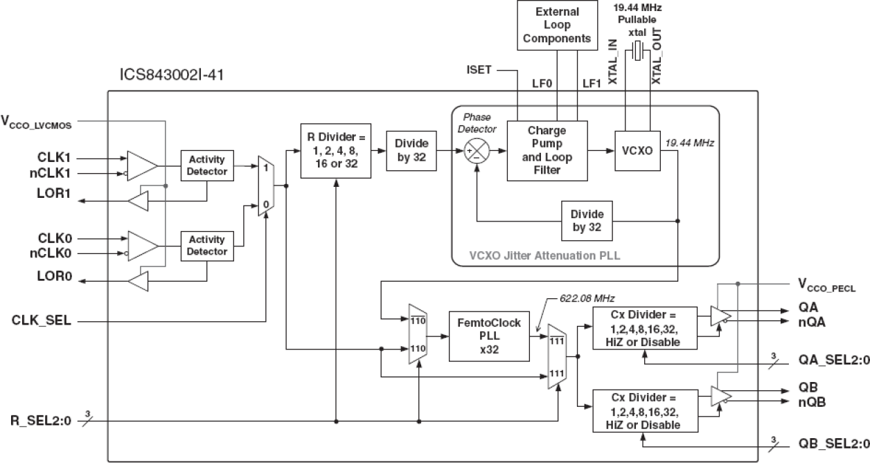
The 843002I-41 is a PLL based synchronous clock generator that is optimized for SONET/SDH line card applications where jitter attenuation and frequency translation is needed. The device contains two internal PLL stages that are cascaded in series. The first PLL stage uses a VCXO which is optimized to provide reference clock jitter attenuation and to be jitter tolerant, and to provide a stable reference clock for the 2nd PLL stage (typically 19.44MHz). The second PLL stage provides additional frequency multiplication (x32), and it maintains low output jitter by using a low phase noise FemtoClock® VCO. PLL multiplication ratios are selected from internal lookup tables using device input selection pins. The device performance and the PLL multiplication ratios are optimized to support non-FEC (non-Forward Error Correction) SONET/SDH applications with rates up to OC-48 (SONET) or STM-16 (SDH). The VCXO requires the use of an external, inexpensive pullable crystal. VCXO PLL uses external passive loop filter components which are used to optimize the PLL loop bandwidth and damping characteristics for the given line card application.

The 843002I-41 includes two clock input ports. Each one can accept either a single-ended or differential input. Each input port also includes an activity detector circuit, which reports input clock activity through the LOR0 and LOR1 logic output pins. The two input ports feed an input selection mux. "Hitless switching" is accomplished through proper filter tuning. Jitter transfer and wander characteristics are influenced by loop filter tuning, and phase transient performance is influenced by both loop filter tuning and alignment error between the two reference clocks.

Typical 843002I-41 configuration in SONET/SDH Systems:

  • VCXO 19.44MHz crystal
  • Input Reference clock frequency selections:
    19.44MHz, 38.88MHz, 77.76MHz, 155.52MHz, 311.04MHz, 622.08MHz
  • Output clock frequency selections:
    19.44MHz, 77.76MHz, 155.52MHz, 311.04MHz, 622.08MHz, Hi-Z