| CAD 模型: | View CAD Model |
| Pkg. Type: | PTQFP |
| Pkg. Code: | DXG48 |
| Lead Count (#): | 48 |
| Pkg. Dimensions (mm): | 7.0 x 7.0 x 1.0 |
| Pitch (mm): | 0.5 |
| Moisture Sensitivity Level (MSL) | 3 |
| Pb (Lead) Free | Yes |
| ECCN (US) | EAR99 |
| HTS (US) | 8542.39.0090 |
| Lead Count (#) | 48 |
| Carrier Type | Tray |
| Moisture Sensitivity Level (MSL) | 3 |
| Qty. per Reel (#) | 0 |
| Qty. per Carrier (#) | 250 |
| Pb (Lead) Free | Yes |
| Pb Free Category | e3 Sn |
| Temp. Range (°C) | -40 to 85°C |
| C-C Jitter Max P-P (ps) | 50 |
| C-C Jitter Typ P-P (ps) | 13 |
| Core Voltage (V) | 2.5V, 3.3V |
| Feedback Input | No |
| Input Freq (MHz) | 25 - 25 |
| Input Type | Crystal, LVCMOS |
| Inputs (#) | 2 |
| Length (mm) | 7 |
| MOQ | 250 |
| Output Banks (#) | 3 |
| Output Freq Range (MHz) | 125 - 125, 156.25 - 156.25, 312.5 - 312.5 |
| Output Type | LVDS |
| Output Voltage (V) | 2.5V, 3.3V |
| Outputs (#) | 10 |
| Package Area (mm²) | 49 |
| Phase Jitter Max RMS (ps) | 0.768 |
| Phase Jitter Typ RMS (ps) | 0.272 |
| Pitch (mm) | 0.5 |
| Pkg. Dimensions (mm) | 7.0 x 7.0 x 1.0 |
| Pkg. Type | PTQFP |
| Product Category | General Purpose Clocks |
| Prog. Clock | No |
| Reference Output | No |
| Requires Terms and Conditions | Does not require acceptance of Terms and Conditions |
| Spread Spectrum | No |
| Tape & Reel | No |
| Thickness (mm) | 1 |
| Width (mm) | 7 |
| 已发布 | No |
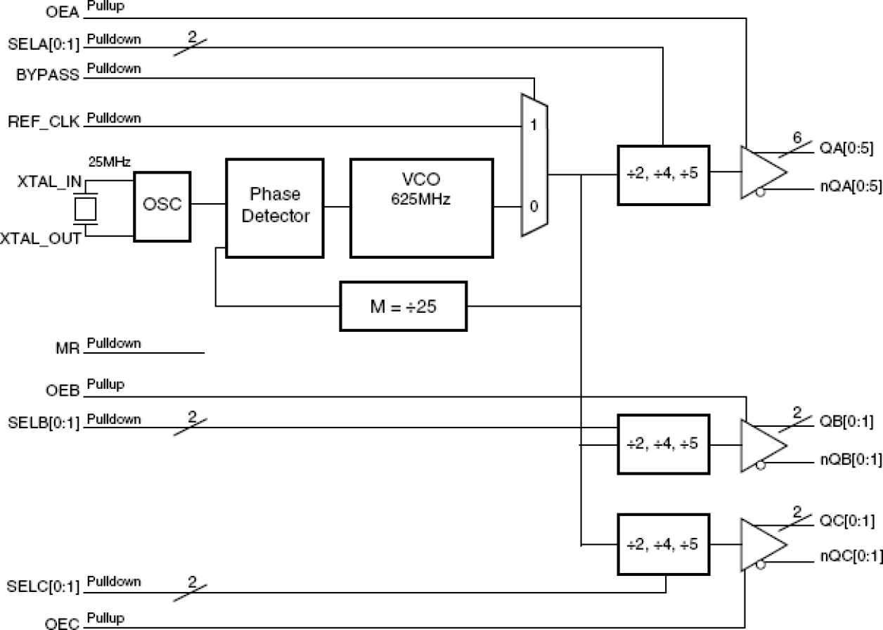
The 844625I is a high frequency clock generator. The 844625I uses an external 25MHz crystal to synthesize 312.5MHz, 156.25MHz and 125MHz clocks. The 844625I has excellent cycle-to-cycle and RMS period jitter performance. The 844625I operates at full 3.3V, 2.5V or mixed 3.3V, 2.5V supply modes and is available in a fully RoHS compliant 48-lead TQFP, E-Pad package.