跳转到主要内容
注意 - 建议使用以下设备作为替代品:

特性

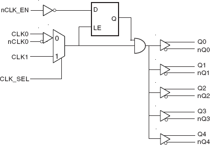
  • Five differential HSTL compatible outputs
  • Selectable differential CLK0, nCLK0 or LVCMOS/LVTTL clock inputs
  • CLK0, nCLK0 pair can accept the following differential input levels: LVDS, LVPECL, HSTL, HCSL
  • CLK1 can accept the following input levels: LVCMOS or LVTTL
  • Output frequency up to 700MHz
  • Translates any single ended input signal to HSTL levels with resistor bias on nCLK0 input
  • Output skew: 40ps (maximum)
  • Part-to-part skew: 300ps (maximum)
  • Propagation delay: 1.8ns (maximum)
  • 3.3V core, 1.8V output operating supply
  • Available in Lead-Free (RoHS 6) package
  • -40°C to 85°C ambient operating temperature

描述

The 85214I is a low skew, high performance 1-to-5 Differential-to-HSTL Fanout Buffer. The CLK0, nCLK0 pair can accept most standard differential input levels. The single ended CLK1 input accepts LVCMOS or LVTTL input levels. Guaranteed output and part to part skew characteristics make the 85214I ideal for those clock distribution applications demandingwell defined performance and repeatability.

当前筛选条件