跳转到主要内容
瑞萨电子 (Renesas Electronics Corporation)

特性

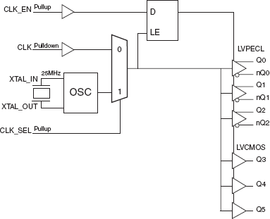
  • Three differential LVPECL outputs, and three single ended LVCMOS outputs
  • Selectable LVCMOS/LVTTL CLK or crystal inputs
  • CLK can accept the following input levels: LVCMOS, LVTTL
  • Crystal frequency: 25MHz
  • Maximum output frequency: 266MHz
  • Output skew: 80ps (maximum)
  • Part-to-part skew: 800ps (maximum)
  • Propagation delay: 1.95ns (maximum)
  • Additive phase jitter, RMS: 0.32ps (typical), LVPECL output
  • Full 3.3V or 2.5V operating supply
  • -40°C to 85°C ambient operating temperature
  • Available in lead-free (RoHS 6) package

描述

The 8536I-33 is a low skew, high performance 1-to-6 Crystal Oscillator/LVCMOS-to-3.3V, 2.5V LVPECL/LVCMOS fanout buffer. The 8536I-33 has selectable single ended clock or crystal inputs. The single-ended clock input accepts LVCMOS or LVTTL input levels and translate them to 3.3V LVPECL levels. The output enable is internally synchronized to eliminate runt pulses on the outputs during asynchronous assertion/deassertion of the clock enable pin. Guaranteed output and part-to-part skew characteristics make the 8536I-33 ideal for those applications demanding well defined performance and repeatability.

当前筛选条件