跳转到主要内容
瑞萨电子 (Renesas Electronics Corporation)

特性

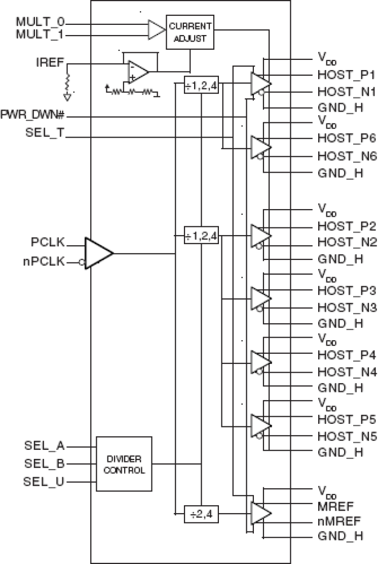
  • Six HCSL outputs
  • Two LVCMOS/LVTTL outputs
  • One Differential LVPECL clock input pair
  • PCLK, nPCLK supports the following input types: LVDS, LVPECL, LVHSTL, SSTL, HCSL
  • Maximum output frequency: 600MHz (maximum)
  • Output skew: 100ps (maximum)
  • Propagation delay: 4ns (maximum)
  • 3.3V operating supply
  • 0°C to 85°C ambient operating temperature
  • Available in both standard and lead-free RoHS compliant packages
  • Industrial temperature information available upon request

描述

The 87158 is a high performance 1-to-6 LVPECL-to- HCSL/LVCMOS ClockGenerator. The 87158 has one differential input (which can accept LVDS, LVPECL, LVHSTL, SSTL, HCSL), six differential HCSL output pairs and two complementary LVCMOS/LVTTLoutputs. The six HCSL output pairs can be individually configured for divide-by-1, 2, and 4 or high impedance by use of select pins. The two complementary LVCMOS/LVTTL outputs can be configured for divide by 2, divide by 4, high impedance, or driven low for low power operation. The primary use of the 87158 is in Intel® E8870 chipsets that use Intel® Pentium 4 processors. The 87158 converts the differential clock from the main system clock into HCSL clocks used by Intel® Pentium 4 processors. However, the 87158 is a highly flexible, general purpose device that operates up to 600MHz and can be used in any situation where Differential-to-HCSL translation is required.

当前筛选条件