| CAD 模型: | View CAD Model |
| Pkg. Type: | VFQFPN |
| Pkg. Code: | NLG32 |
| Lead Count (#): | 32 |
| Pkg. Dimensions (mm): | 5.0 x 5.0 x 0.9 |
| Pitch (mm): | 0.5 |
| Moisture Sensitivity Level (MSL) | 3 |
| Pb (Lead) Free | Yes |
| ECCN (US) | EAR99 |
| HTS (US) | 8542.39.0090 |
| Lead Count (#) | 32 |
| Carrier Type | Tray |
| Moisture Sensitivity Level (MSL) | 3 |
| Qty. per Reel (#) | 0 |
| Qty. per Carrier (#) | 490 |
| Package Area (mm²) | 25 |
| Pitch (mm) | 0.5 |
| Pkg. Dimensions (mm) | 5.0 x 5.0 x 0.9 |
| Pb (Lead) Free | Yes |
| Pb Free Category | e3 Sn |
| Temp. Range (°C) | -40 to 85°C |
| Advanced Features | Feedback Input |
| C-C Jitter Max P-P (ps) | 50 |
| Core Voltage (V) | 3.3 |
| Feedback Input | Yes |
| Function | Buffer, Divider |
| Input Freq (MHz) | 31.25 - 700 |
| Input Type | HCSL, HSTL, LVDS, LVPECL |
| Inputs (#) | 2 |
| Length (mm) | 5 |
| MOQ | 490 |
| Output Banks (#) | 1 |
| Output Freq Range (MHz) | 31.25 - 700 |
| Output Skew (ps) | 55 |
| Output Type | LVPECL |
| Output Voltage (V) | 3.3 |
| Outputs (#) | 5 |
| Pkg. Type | VFQFPN |
| Product Category | Clock Buffers & Drivers, Clock Dividers, Zero Delay Buffers |
| Prog. Clock | No |
| Requires Terms and Conditions | Does not require acceptance of Terms and Conditions |
| Tape & Reel | No |
| Thickness (mm) | 0.9 |
| Width (mm) | 5 |
| 已发布 | No |
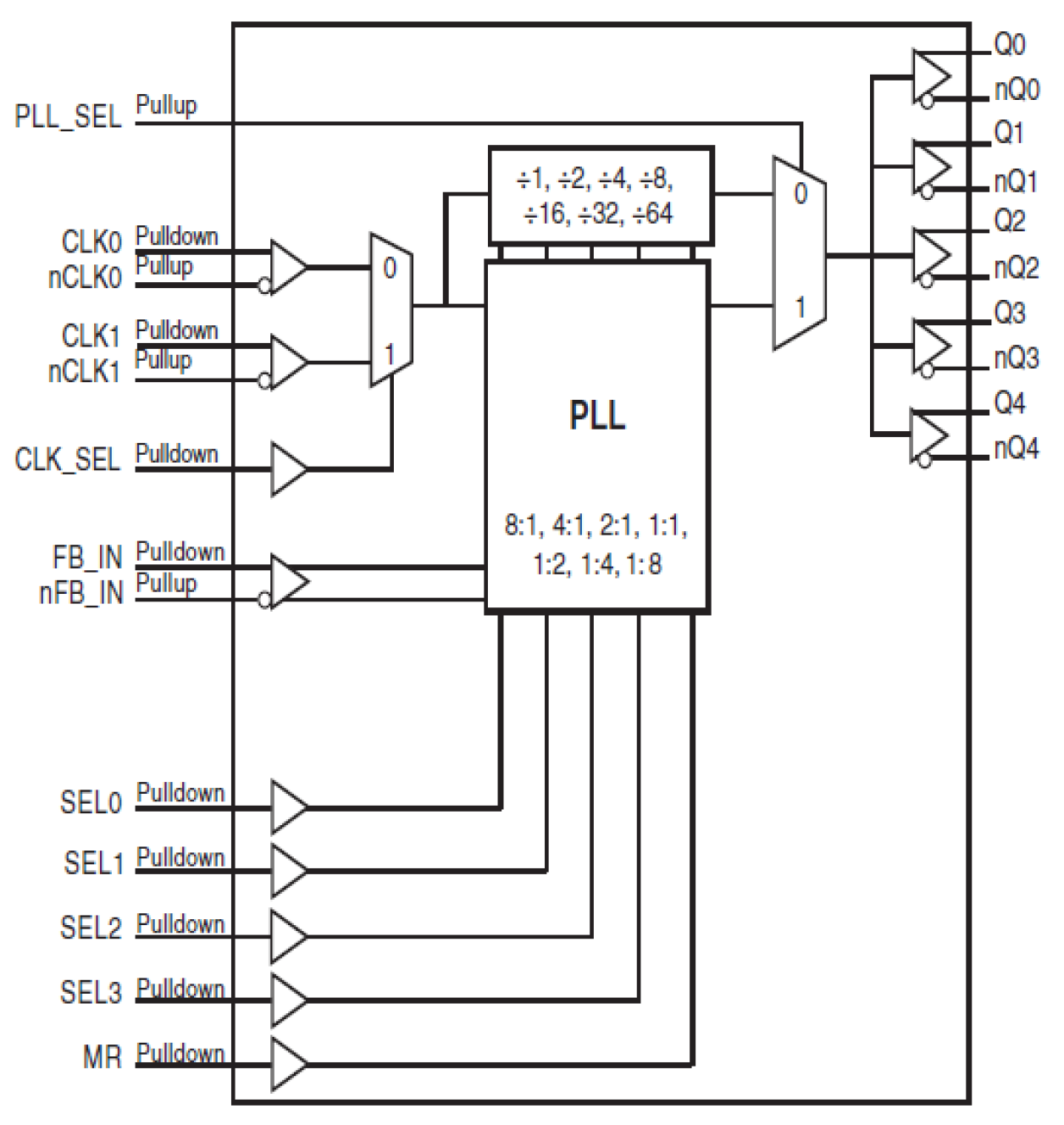
The 8735BI-01 is a highly versatile 1:5 differential- to-3.3V LVPECL clock generator. The 8735BI-01 has a fully integrated PLL and can be configured as zero delay buffer, multiplier, or divider, and has an output frequency range of 31.25MHz to 700MHz. The reference divider, feedback divider, and output divider are each programmable, thereby allowing for the following output-to-input frequency ratios: 8:1, 4:1, 2:1, 1:1, 1:2, 1:4, and 1:8. The external feedback allows the device to achieve "zero delay" between the input clock and the output clocks. The PLL_SEL pin can be used to bypass the PLL for system test and debug purposes. In bypass mode, the reference clock is routed around the PLL and into the internal output dividers.