跳转到主要内容
瑞萨电子 (Renesas Electronics Corporation)

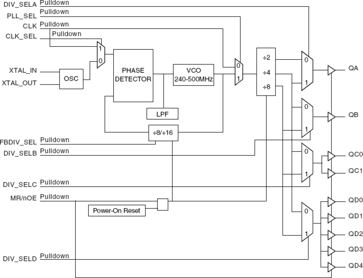
特性

  • Fully integrated PLL
  • 9 single ended 3.3V LVCMOS/LVTTL outputs
  • Selectable CLK or single ended crystal inputs
  • Maximum output frequency: 250MHz
  • Maximum VCO range: 240MHz to 500MHz
  • Cycle-to-cycle jitter: ±100 (typical)
  • Output skew: 375ps (maximum) all outputs @ same frequency
  • 3.3V operating supply
  • -40°C to 85°C ambient operating temperature
  • Available in lead-free (RoHS 6) package

描述

The 87950I is a low voltage, low skew 1-9 LVCMOS/ LVTTL Clock Generator. With output frequencies up to 250MHz the 87950I is targeted for high performance clock applications. Along with a fully integrated PLL the 87950I contains frequency configurable outputs.

当前筛选条件