| CAD 模型: | View CAD Model |
| Pkg. Type: | TQFP |
| Pkg. Code: | PPG52 |
| Lead Count (#): | 52 |
| Pkg. Dimensions (mm): | 10.0 x 10.0 x 1.4 |
| Pitch (mm): | 0.65 |
| Moisture Sensitivity Level (MSL) | 3 |
| Pb (Lead) Free | Yes |
| ECCN (US) | EAR99 |
| HTS (US) | 8542.39.0090 |
| Lead Count (#) | 52 |
| Carrier Type | Reel |
| Moisture Sensitivity Level (MSL) | 3 |
| Qty. per Reel (#) | 500 |
| Qty. per Carrier (#) | 0 |
| Pb (Lead) Free | Yes |
| Pb Free Category | e3 Sn |
| Temp. Range (°C) | -40 to 85°C |
| C-C Jitter Typ P-P (ps) | 100 |
| Core Voltage (V) | 3.3 |
| Diff. Input Signaling | 3.3 |
| Divider Value | 2, 4, 6, 8, 10, 12 |
| Feedback Divider | 4 - 4, 6 - 6, 8 - 8, 10 - 10, 12 - 12, 16 - 16 |
| Function | Zero-Delay Buffers |
| Input Freq (MHz) | 10 - 150 |
| Input Type | LVCMOS, LVPECL, LVDS, HSTL, SSTL, LVDS, HCSL |
| Inputs (#) | 3 |
| Length (mm) | 10 |
| MOQ | 500 |
| Operating Freq | 125 |
| Output Banks (#) | 3 |
| Output Freq Range (MHz) | 8.33 - 125 |
| Output Signaling | LVCMOS |
| Output Skew (ps) | 550 |
| Output Type | LVCMOS |
| Output Voltage (V) | 3.3 |
| Outputs (#) | 13 |
| Package Area (mm²) | 100 |
| Pitch (mm) | 0.65 |
| Pkg. Dimensions (mm) | 10.0 x 10.0 x 1.4 |
| Pkg. Type | TQFP |
| Product Category | General Purpose Clocks |
| Reel Size (in) | 13 |
| Reference Output | No |
| Requires Terms and Conditions | Does not require acceptance of Terms and Conditions |
| Spread Spectrum | No |
| Supply Voltage (V) | 3.3 - 3.3 |
| Tape & Reel | Yes |
| Thickness (mm) | 1.4 |
| VCO Max Freq (MHz) | 480 |
| VCO Min Freq (MHz) | 200 |
| Width (mm) | 10 |
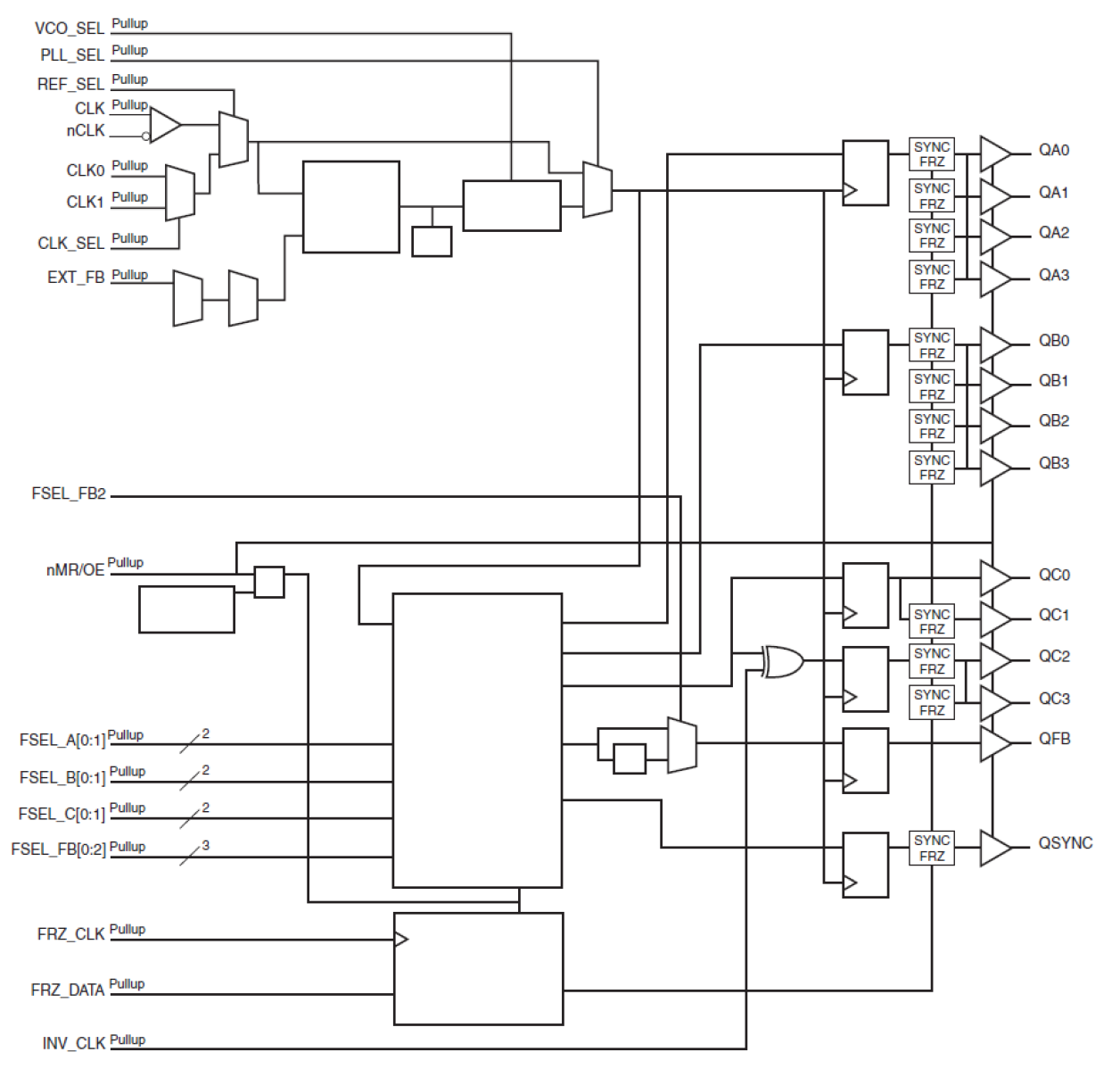
The 87973I is a LVCMOS/LVTTL clock generator from IDT. The 87973I has three selectable inputs and provides fourteen LVCMOS/LVTTL outputs. The 87973I is a highly flexible device. The three selectable inputs (1 differential and 2 single ended inputs) are often used in systems requiring redundant clock sources. Up to three different output frequencies can be generated among the three output banks. The three output banks and feedback output each have their own output dividers which allows the device to generate a multitude of different bank frequency ratios and output-to-input frequency ratios. In addition, 2 outputs in Bank C (QC2, QC3) can be selected to be inverting or non-inverting. The output frequency range is 8.33MHz to125MHz. The input frequency range is 5MHz to 120MHz. The 87973I also has a QSYNC output which can by used for system synchronization purposes. It monitors Bank A and Bank C outputs and goes low one period prior to coincident rising edges of Bank A and Bank C clocks. QSYNC then goes high again when the coincident rising edges of Bank A and Bank C occur. This feature is used primarily in applications where Bank A and Bank C are running at different frequencies, and is particularly useful when they are running at non-integer multiples of one another.