| CAD 模型: | View CAD Model |
| Pkg. Type: | CABGA |
| Pkg. Code: | AB100 |
| Lead Count (#): | 100 |
| Pkg. Dimensions (mm): | 9.0 x 9.0 x 1.7 |
| Pitch (mm): | 0.8 |
| Pb (Lead) Free | No |
| Moisture Sensitivity Level (MSL) | 3 |
| ECCN (US) | |
| HTS (US) |
| Pkg. Type | CABGA |
| Lead Count (#) | 100 |
| Pb (Lead) Free | No |
| Carrier Type | Tray |
| Channels (#) | 4 |
| Data Rate Max (Gbps) | 6.25 |
| Length (mm) | 9 |
| MOQ | 260 |
| Moisture Sensitivity Level (MSL) | 3 |
| Package Area (mm²) | 81 |
| Pb Free Category | e0 |
| Pitch (mm) | 0.8 |
| Pkg. Dimensions (mm) | 9.0 x 9.0 x 1.7 |
| Protocol | S-RIO |
| Qty. per Carrier (#) | 260 |
| Qty. per Reel (#) | 0 |
| Requires Terms and Conditions | Does not require acceptance of Terms and Conditions |
| Tape & Reel | No |
| Temp. Range (°C) | 0 to 70°C |
| Thickness (mm) | 1.7 |
| Width (mm) | 9 |
| 已发布 | No |
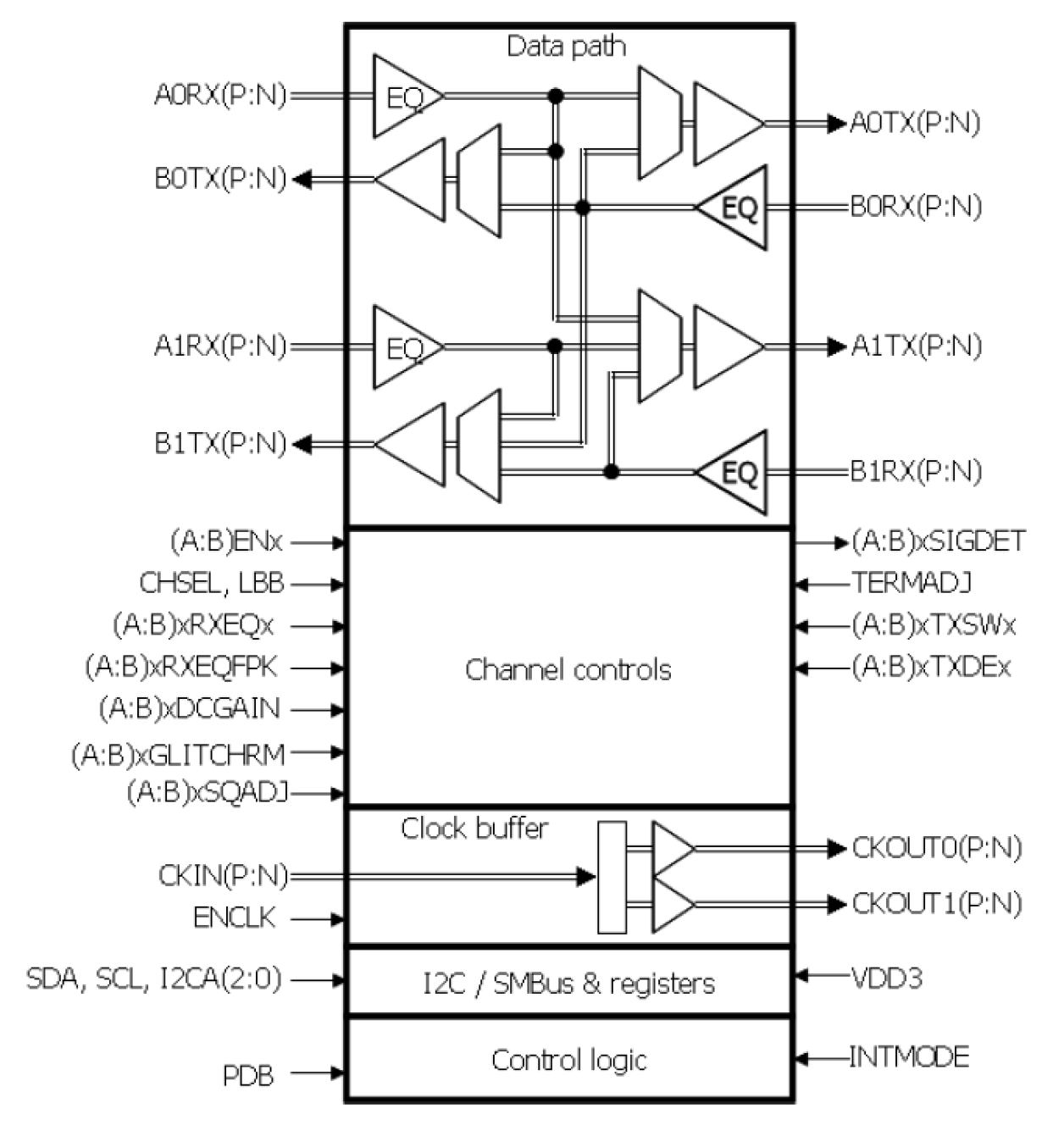
The IDT 89HP0604R 4-channel S-RIO 2.1 Repeater offers the industry a blend of top analog performance, lower power, and the most system level features in signal repeaters optimized for demanding 2.5Gbps to 6.25Gbps applications in computing, storage, and communications.