跳转到主要内容
瑞萨电子 (Renesas Electronics Corporation)

特性

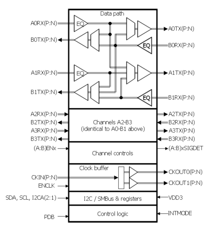
  • 8 channel SAS / SATA signal repeater
  • Advanced signal conditioning features
  • Advanced diagnostic features
  • Advanced power saving features
  • Built-in mux/demux for Fail-Over support
  • I2C programming interface
  • Commercial and Industrial temperature

描述

The IDT 89HP0608S 8-channel SAS / SATA Repeater offers the industry a blend of top analog performance, lower power, and the most system level features in signal repeaters optimized for demanding 1.5Gbps to 6G applications in computing, storage, and communications.

当前筛选条件