| CAD 模型: | View CAD Model |
| Pkg. Type: | VFQFPN |
| Pkg. Code: | NLG32 |
| Lead Count (#): | 32 |
| Pkg. Dimensions (mm): | 5.0 x 5.0 x 0.9 |
| Pitch (mm): | 0.5 |
| Moisture Sensitivity Level (MSL) | 3 |
| Pb (Lead) Free | Yes |
| ECCN (US) | EAR99 |
| HTS (US) | 8542.39.0090 |
| Lead Count (#) | 32 |
| Carrier Type | Reel |
| Moisture Sensitivity Level (MSL) | 3 |
| Qty. per Reel (#) | 2500 |
| Qty. per Carrier (#) | 0 |
| Pb (Lead) Free | Yes |
| Pb Free Category | e3 Sn |
| Temp. Range (°C) | -40 to 85°C |
| Core Voltage (V) | 3.3 |
| Feedback Input | No |
| Input Freq (MHz) | 25 - 25 |
| Input Type | Crystal, LVCMOS |
| Inputs (#) | 2 |
| Length (mm) | 5 |
| MOQ | 15000 |
| Output Banks (#) | 1 |
| Output Freq Range (MHz) | 100 - 100, 125 - 125, 156.25 - 156.25, 312.5 - 312.5 |
| Output Skew (ps) | 100 |
| Output Type | HCSL |
| Output Voltage (V) | 3.3 |
| Outputs (#) | 5 |
| Package Area (mm²) | 25 |
| Phase Jitter Typ RMS (ps) | 0.217 |
| Pitch (mm) | 0.5 |
| Pkg. Dimensions (mm) | 5.0 x 5.0 x 0.9 |
| Pkg. Type | VFQFPN |
| Prog. Clock | No |
| Reel Size (in) | 13 |
| Reference Output | No |
| Requires Terms and Conditions | Does not require acceptance of Terms and Conditions |
| Spread Spectrum | No |
| Tape & Reel | Yes |
| Thickness (mm) | 0.9 |
| Width (mm) | 5 |
| 已发布 | No |
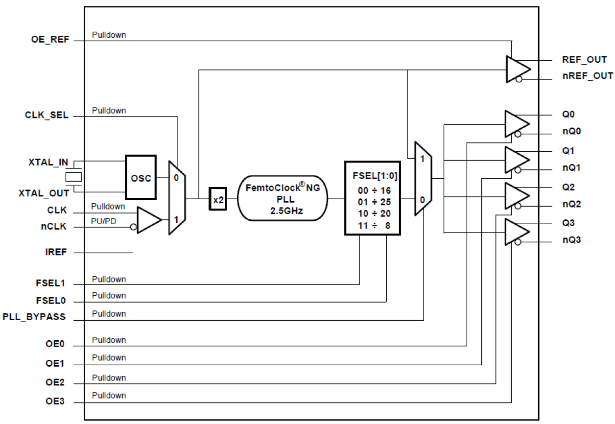
The 8V41N004I is a clock generator designed for Gigabit Ethernet, 10 Gigabit Ethernet, SGMII, and PCI Express applications. The device generates a selectable 100MHz, 125MHz, 156.25MHz, or 312.5MHz clock signal from a 25MHz input. The 8V41N004I uses Renesas' fourth generation FemtoClock® NG technology to provide low phase noise performance, combined with excellent power supply noise rejection for optimal performance in the targeted applications. The device supports a 3.3V supply voltage and is packaged in a compact, lead-free (RoHS 6) 32-lead VFQFN package. The industrial temperature range supports high-end computing, telecommunication, and networking end equipment requirements.