跳转到主要内容
瑞萨电子 (Renesas Electronics Corporation)

特性

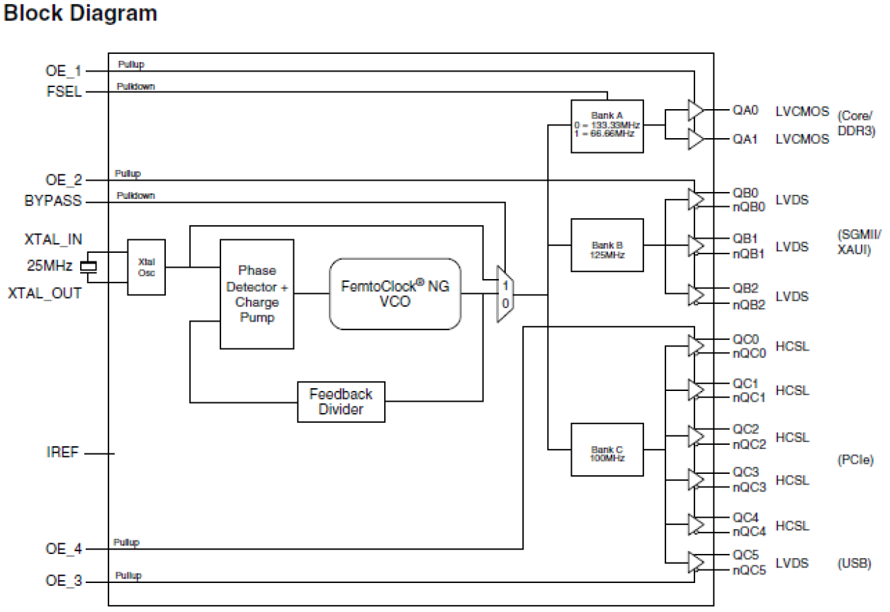
  • Fourth-generation FemtoClock® NG PLL technology
  • Eleven outputs to support 133.33MHz/66.66MHz, 100MHz, 125MHz for core/DDR3, USB, SGMII/XAUI, and PCIe reference clocks
  • Two 1.8V LVCMOS clock outputs for core/DDR3 at 133.33MHz or 66.66MHz
  • One LVDS clock output for USB at 100MHz
  • Three LVDS clock outputs for SGMII/XAUI at 125MHz
  • Five HCSL clock outputs for PCIe at 100MHz
  • Crystal oscillator interface designed for 25MHz, parallel resonant crystal
  • PCI Express Gen 1 (2.5Gb/s), Gen 2 (5Gb/s), and Gen 3 (8Gb/s) jitter compliant
  • Power supply modes:
    Core/Output
    3.3V/3.3V (HCSL, LVDS outputs)
    3.3V/1.8V (LVCMOS outputs only)
  • Lead-free (RoHS 6) packaging
  • -40 °C to 85 °C ambient operating temperature

描述

The 8V49N231I is a high-performance PLL-based clock generator designed to interface with Broadcom XLP2xxx processors. This device has one 25MHz crystal input to generate output frequencies to support XLP Core/DDR3, USB, SGMII/XAUI, and PCIe reference clocks in a single chip. The 8V49N231I low jitter VCO easily meets PCI Express Gen 1, 2, and 3 requirements.

Excellent phase noise performance is maintained with Renesas' Fourth-Generation FemtoClock® NG technology.

当前筛选条件