跳转到主要内容
瑞萨电子 (Renesas Electronics Corporation)

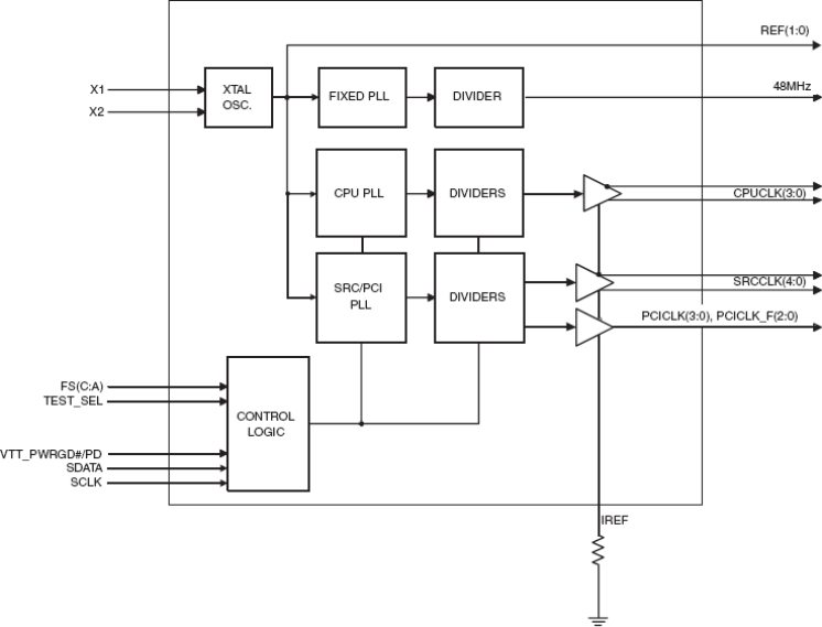
特性

  • 4 - 0.7V HCSL differential CPU pairs
  • 5 - 0.7V HCSL differential SRC pairs
  • 4 - PCI (33MHz) 3.3V LVTTL outputs
  • 3 - PCICLK_F, (33MHz) 3.3V LVTTL free-running outputs
  • 1 - 48MHz 3.3V LVTTL output
  • 2 - 14.318MHz 3.3V LVTTL outputs
  • Phase Jitter: PCIe Gen2 < 3.0ps rms
  • Phase Jitter: PCIe Gen1 <86ps peak-peak

描述

The IDT932S421 is a main clock synthesizer for CK410B+ generation Intel server platforms. The IDT932S421 is driven with a 14.318MHz crystal. It generates 4 CPU outputs up to 400MHz and 5 PCIe Gen2 PCI-Express clocks. The 48 MHz USB clock is an exact 48.000 MHz clock.

当前筛选条件