跳转到主要内容
瑞萨电子 (Renesas Electronics Corporation)

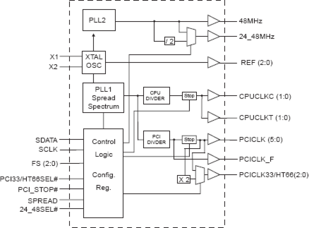
特性

  • 2 - Differential pair push-pull CPU clocks @ 3.3V
  • 7 - PCI (Including 1 free running) @3.3V
  • 3 - Selectable HT/PCI 66/33MHz @3.3V
  • 1 - 48MHz, @3.3V fixed.
  • 1 - 24/48MHz @ 3.3V
  • 3 - REF @3.3V, 14.318MHz.
  • Up to 220MHz frequency support
  • Support power management: PCI stop and stop clocks controlled by I2C.
  • Spread spectrum for EMI reduction
  • Uses external 14.318MHz crystal
  • I2C programmability features
  • Supports Hypes transport technology (HT66 output).

描述

The 950401 is a main clock synthesizer chip for AMD-K8. This provides all clocks required for Clawhammer and Sledgehammer systems. Spread spectrum may be enabled through I2C programming. Spread spectrum typically reduces system EMI by 8dB to 10dB. This simplifies EMI qualification without resorting to board design iterations or costly shielding. The 950401 employs a proprietary closed loop design, which tightly controls the percentage of spreading over process and temperature variations. Serial programming I2C interface allows changing functions, stop clock programming and frequency selection.

当前筛选条件