跳转到主要内容
瑞萨电子 (Renesas Electronics Corporation)

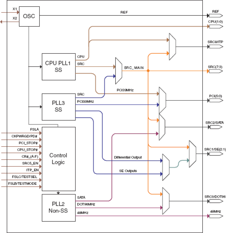
特性

  • 2 - CPU differential low power push-pull pairs
  • 7 - SRC differential push-pull pairs
  • 1 - CPU/SRC selectable differential low power push-pull pair
  • 1 - SRC/DOT selectable differential low power push-pull pair
  • 1 - SRC/SE selectable differential push-pull pair/Single-ended outputs
  • 5 - PCI, 33MHz
  • 1 - USB, 48MHz
  • 1 - REF, 14.318MHz
  • CPU outputs cycle-cycle jitter < 85ps
  • SRC output cycle-cycle jitter < 125ps
  • PCI outputs cycle-cycle jitter < 250ps
  • +/- 100ppm frequency accuracy on all outputs
  • SRC outputs meet PCIe Gen2 when sourced from PLL3
  • Supports spread spectrum modulation, 0 to -0.5% down spread
  • Supports CPU clks up to 400MHz
  • Uses external 14.318MHz crystal, external crystal load caps are required for frequency tuning

描述

9EPRS525 is compliant Intel CK505 Yellow Cover specification. This clock synthesizer provides a single chip solution for Intel desktop chipsets. 9EPRS525 is driven with a 14.318MHz crystal. It also provides a tight ppm accuracy output for Serial ATA and PCI-Express support.

当前筛选条件