跳转到主要内容
瑞萨电子 (Renesas Electronics Corporation)

特性

  • 2 configurable serial outputs
  • Compliant with JESD204A serial transmission standard
  • Dual channel 12-bit pipelined ADC core
  • High IF capability
  • Input bandwidth, 600 MHz
  • Power-down and Sleep modes
  • Sample rate up to 125 Msps
  • SPI interface

描述

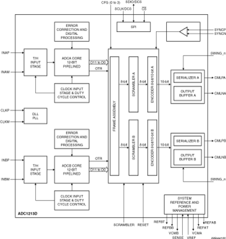
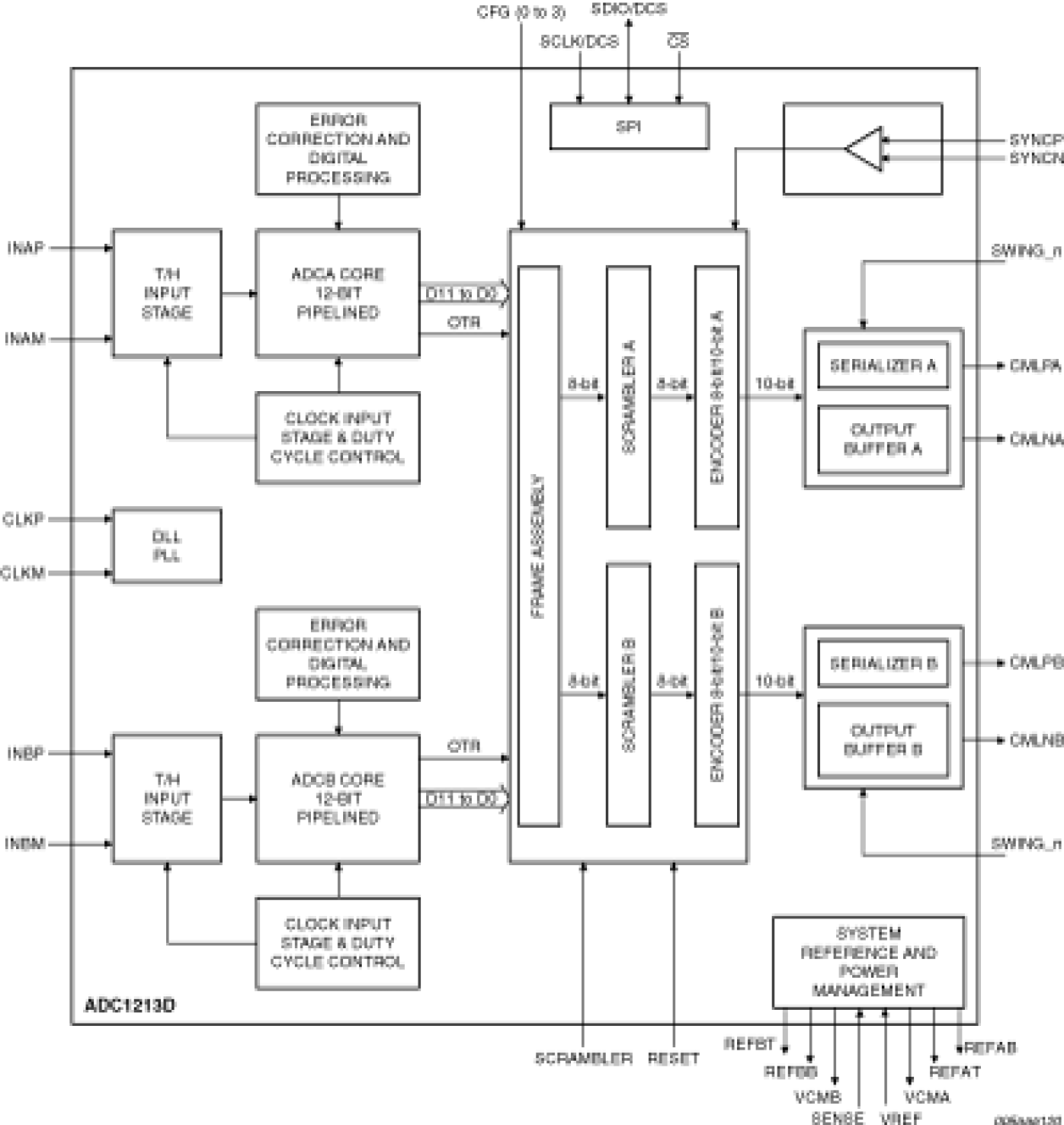
The ADC1213D is a dual channel 12-bit Analog-to-Digital Converter (ADC) optimized for high dynamic performances and low power at sample rates up to 125 Msps. Pipelined architecture and output error correction ensure the ADC1213D is accurate enough to guarantee zero missing codes over the entire operating range. Supplied from a 3.3 V source for analog and a 1.8 V source for the output driver, it can output data in serial mode, because of the two lanes of differential outputs, which are compliant with the JESD204A standard.

当前筛选条件