跳转到主要内容
瑞萨电子 (Renesas Electronics Corporation)

特性

  • 2 configurable serial outputs
  • 3.3V, 1.8V single supplies
  • Compliant with JESD204A serial transmission standard
  • Dual channel 14-bit pipelined ADC core
  • Duty cycle stabilizer
  • Flexible input voltage range: 1V (p-p) to 2V (p-p) with 6dB programmable fine gain
  • High IF capability
  • Input bandwidth, 600MHz
  • Offset binary, 2s complement, gray code
  • Power dissipation, 995mW at 80Msps
  • Power-down and Sleep modes
  • Sample rate up to 80Msps
  • SFDR, 90dBc
  • SNR, 73dB
  • SPI interface

描述

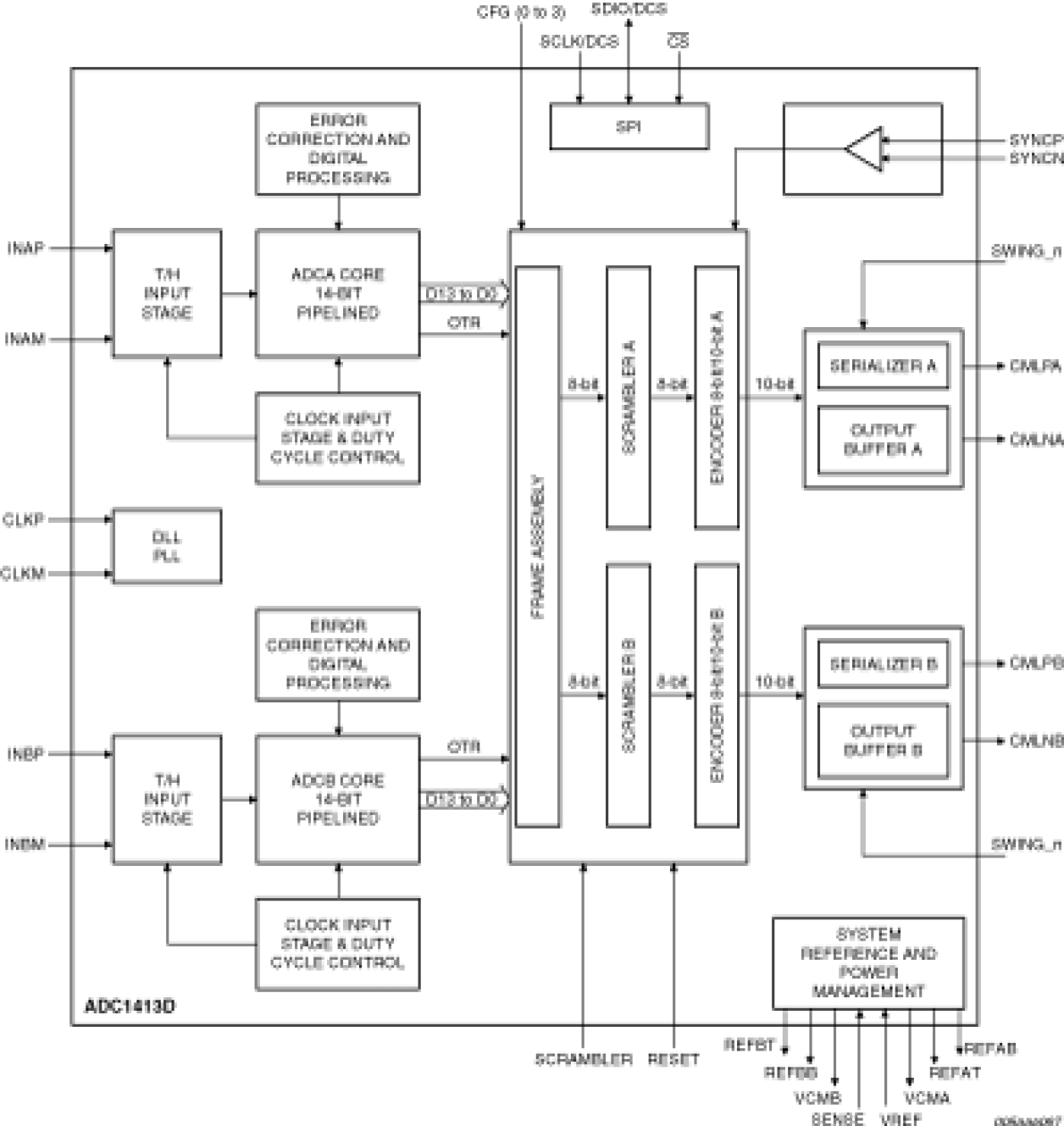
The ADC1413D080HN is a dual-channel 14-bit analog-to-digital converter (ADC) optimized for high dynamic performances and low power at sample rates of 80Msps. Pipelined architecture and output error correction ensure the ADC1413D080HN is accurate enough to guarantee zero missing codes over the entire operating range. Supplied from a 3.3V source for analog and a 1.8V source for the output driver, it has two serial outputs, because of the two lanes of differential outputs, which are compliant with the JESD204A standard. An integrated serial peripheral interface (SPI) allows the user to easily configure the ADC. A set of IC configurations is also available via the binary level control pins taken, which are used at power-up.

当前筛选条件