跳转到主要内容
瑞萨电子 (Renesas Electronics Corporation)

特性

  • High-voltage types (20V rating)
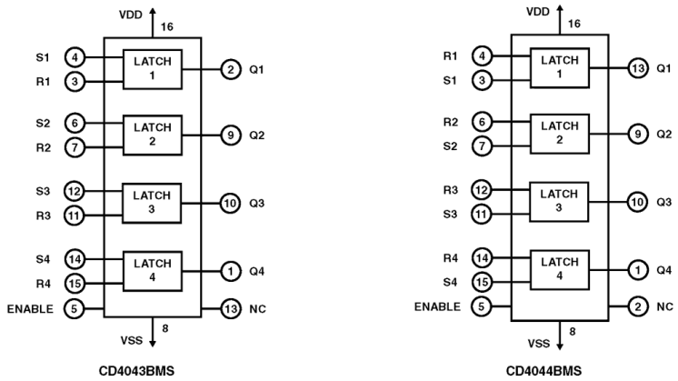
  • Quad NOR R/S latch- CD4043BMS
  • Quad NAND R/S latch - CD4044BMS
  • 3-state outputs with common output Enable
  • Separate Set and Reset inputs for each latch
  • NOR and NAND configuration
  • 5V, 10V and 15V parametric ratings
  • Standardized symmetrical output characteristics
  • 100% tested for quiescent current at 20V
  • Maximum input current of 1µa at 18V over full package temperature range; 100nA at 18V and 25 °C
  • Noise margin (over full package temperature range): 1V at VDD = 5V, 2V at VDD = 10V, 2.5V at VDD = 15V
  • Meets all requirements of JEDEC tentative standard No. 13B, "Standard Specifications for Description of 'B' Series CMOS Devices"

描述

The CD4043BMS devices are quad cross-coupled 3-state CMOS NOR latches and the CD4044BMS devices are quad cross-coupled 3-state CMOS NAND latches. Each latch has a separate Q output and individual Set and Reset inputs. The Q outputs are controlled by a common Enable input. A logic 1 or high on the Enable input connects the latch states to the Q outputs. A logic 0 or low on the Enable input disconnects the latch states from the Q outputs; this results in an open circuit feature allowing for common busing of the outputs. The CD4043BMS and CD4044BMS are supplied in these 16- lead outline packages: Braze Seal DIP H4T, Frit Seal DIP H1C (CD4043BMS) and HIE (CD4044BMS), and Ceramic Flatpack H3X (CD4043BMS) and H6W (CD4044BMS).

应用

  • Holding register in multi-register system
  • Four bits of independent storage with output Enable
  • Strobed register
  • General digital logic
  • CD4043BMS for positive logic systems
  • CD4044BMS for negative logic systems

当前筛选条件