跳转到主要内容
瑞萨电子 (Renesas Electronics Corporation)

特性

  • Logic Level Conversion
  • High-Voltage Types (20V Rating)
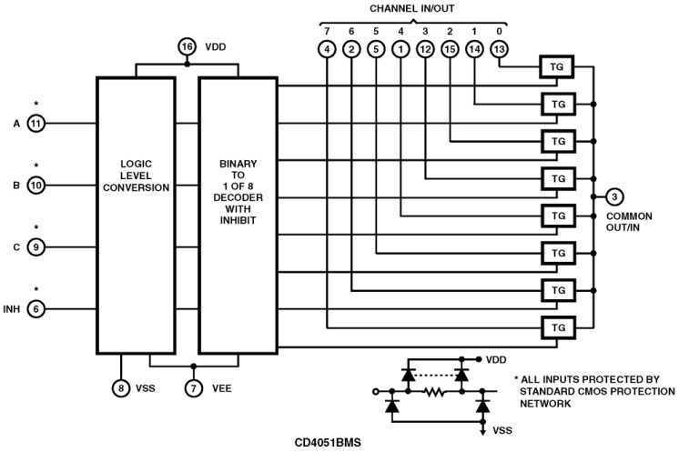
  • CD4051BMS Signal 8-Channel
  • CD4052BMS Differential 4-Channel
  • CD4053BMS Triple 2-Channel
  • Wide Range of Digital and Analog Signal Levels:
  • Digital 3V to 20V
  • Analog to 20Vp-p
  • Low ON Resistance: 125Ω (typ) Over 15Vp-p Signal Input Range for VDD - VEE = 15V
  • High OFF Resistance: Channel Leakage of ±100pA (typ) at VDD - VEE = 18V
  • Logic Level Conversion:
  • Digital Addressing Signals of 3V to 20V (VDD - VSS = 3V to 20V)
  • Switch Analog Signals to 20Vp-p (VDD - VEE = 20V); See Introductory Text
  • Matched Switch Characteristics: RON = 5Ω (typ) for VDD - VEE = 15V
  • Very Low Quiescent Power Dissipation Under All Digital Control Input and Supply Conditions: 0.2µW (typ) at VDD - VSS = VDD - VEE = 10V
  • Binary Address Decoding on Chip
  • 5V, 10V and 15V Parametric Ratings
  • 100% Tested for Quiescent Current at 20V
  • Maximum Input Current of 1µA at 18V Over Full Package Temperature Range; 100nA at 18V and +25°C
  • Break-Before-Making Switching Eliminates Channel Overlap

描述

Support is limited to customers who have already adopted these products.

CD4051BMS, CD4052BMS and CD4053BMS analog multiplexers/ demultiplexers are digitally controlled analog switches having low ON impedance and very low OFF leakage current. Control of analog signals up to 20V peak-to-peak can be achieved by digital signal amplitudes of 4. 5V to 20V (if VDD-VSS = 3V, a VDD-VEE of up to 13V can be controlled; for VDD-VEE level differences above 13V, a VDDVSS of at least 4. 5V is required). For example, if VDD = +4. 5V, VSS = 0, and VEE = -13. 5V, analog signals from - 13. 5V to +4. 5V can be controlled by digital inputs of 0 to 5V. These multiplexer circuits dissipate extremely low quiescent power over the full VDD-VSS and VDD-VEE supply voltage ranges, independent of the logic state of the control signals. When a logic 1 is present at the inhibit input terminal all channels are off. The CD4051BMS is a single 8 channel multiplexer having three binary control inputs, A, B, and C, and an inhibit input. The three binary signals select 1 of 8 channels to be turned on, and connect one of the 8 inputs to the output. The CD4052BMS is a differential 4 channel multiplexer having two binary control inputs, A and B, and an inhibit input. The two binary input signals select 1 of 4 pairs of channels to be turned on and connect the analog inputs to the outputs. The CD4053BMS is a triple 2 channel multiplexer having three separate digital control inputs, A, B, and C, and an inhibit input. Each control input selects one of a pair of channels which are connected in a single pole double-throw con- figuration. The CD4051BMS, CD4052BMS and CD4053BMS are supplied in these 16 lead outline packages: Braze Seal DIP *H4X †H4T Frit Seal DIP H1E Ceramic Flatpack H6W *CD4051B Only †CD4052B, CD4053 Only

应用

  • Analog and Digital Multiplexing and Demultiplexing
  • A/D and D/A Conversion
  • Signal Gating
    * When these devices are used as demultiplexers the "CHANNEL IN/OUT" terminals are the outputs and the "COMMON OUT/IN" terminals are the inputs

当前筛选条件