| CAD 模型: | View CAD Model |
| Pkg. Type: | SOICN |
| Pkg. Code: | MSG |
| Lead Count (#): | 16 |
| Pkg. Dimensions (mm): | 9.91 x 3.91 x 0.00 |
| Pitch (mm): |
| RoHS (EL4583CSZ) | 下载 |
| Moisture Sensitivity Level (MSL) | 3 |
| Pb (Lead) Free | Yes |
| ECCN (US) | |
| HTS (US) |
| Pkg. Type | SOICN |
| Carrier Type | Tube |
| MOQ | 282 |
| Color Burst Filter - External | No |
| Color Burst Filter - Internal | Variable |
| Composite Propagation Delay (ns) | 250 |
| IS (mA) | 2.5 |
| Lead Count (#) | 16 |
| Length (mm) | 9.9 |
| Moisture Sensitivity Level (MSL) | 3 |
| Outputs Burst | Yes |
| Outputs Composite | Yes |
| Outputs Horizontal | Yes |
| Outputs Odd/Even | Yes |
| Outputs Sync Amplitude | Yes |
| Outputs Vertical | Yes |
| Pb (Lead) Free | Yes |
| Pb Free Category | Pb-Free 100% Matte Tin Plate w/Anneal-e3 |
| Pkg. Dimensions (mm) | 9.9 x 3.9 x 0.00 |
| Price (USD) | $11.22833 |
| Qualification Level | Standard |
| Slicing Fixed (70mV) | No |
| Slicing Input Adaptive | Yes |
| Temp. Range (°C) | -40 to +85°C |
| Width (mm) | 3.9 |
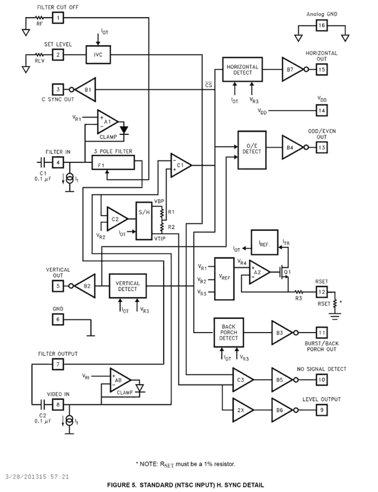
The EL4583 extracts timing from video sync in NTSC, PAL, and SECAM systems, and non standard formats, or from computer graphics operating at higher scan rates. Timing adjustment is via an external resistor. Input without valid vertical interval (no serration pulses) produces a default vertical output. Outputs are: composite sync, vertical sync, filter, burst/back porch, horizontal, no signal detect, level, and odd/even output (in interlaced scan formats only). The EL4583 sync slice level is set to the mid-point between sync tip and the blanking level. This 50% point is determined by two internal sample and hold circuits that track sync tip and back porch levels. It provides hum and noise rejection and compensates for input levels of 0. 5V to 2. 0VP-P. A built in filter attenuates the chroma signal to prevent color burst from disturbing the 50% sync slice. Cut off frequency is set by a resistor to ground from the Filter Cut Off pin. Additionally, the filter can be by-passed and video signal fed directly to the Video Input. The level output pin provides a signal with twice the sync amplitude which may be used to control an external AGC function. A TTL/CMOS compatible No Signal Detect Output flags a loss or reduction in input signal level. A resistor sets the Set Detect Level. The EL4583 is manufactured using Elantec's high performance analog CMOS process.