跳转到主要内容
瑞萨电子 (Renesas Electronics Corporation)

特性

  • Fully differential inputs, outputs, and feedback
  • Differential input range ±2.3V
  • 550MHz 3dB bandwidth
  • 1100V/µs slew rate
  • Low distortion at 20MHz
  • Single 5V or dual ±5V supplies
  • 40mA maximum output current
  • Low power, 12.5mA typical supply current
  • Pb-free (RoHS compliant)

描述

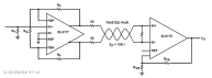
The EL5177 is a high bandwidth amplifier with an output in differential form. It is primarily targeted for applications such as driving twisted-pair lines or any application where common mode injection is likely to occur. The input signal can be in either single-ended or differential form but the output is always in differential form. On the EL5177, two feedback inputs provide the user with the ability to set the device gain (stable at a minimum gain of 1). The output common mode level is set by the reference pin (REF), which has a -3dB bandwidth of 110MHz. Generally, this pin is grounded but it can be tied to any voltage reference. Both outputs (OUT+, OUT-) are short circuit protected to withstand temporary overload condition. The EL5177 is available in the 10 Ld MSOP package and is specified for operation over the full -40°C to +85°C temperature range. See also EL5174 (EL5177 in 8 Ld MSOP).

应用

  • Twisted-pair drivers
  • Differential line drivers
  • VGA over twisted-pair
  • ADSL/HDSL drivers
  • Single-ended to differential amplification
  • Transmission of analog signals in a noisy environment

当前筛选条件