跳转到主要内容
注意 - 建议使用以下设备作为替代品:

特性

  • Integrated MOSFETs
  • 6A continuous output current
  • Up to 96% efficiency
  • Multiple supply start-up tracking
  • Built-in ±5% voltage margining
  • 3V to 6V input voltage
  • 0.72 in2 footprint with components on one side of PCB
  • Adjustable switching frequency to 1MHz
  • Oscillator synchronization possible
  • 100% duty ratio
  • Junction temperature indicator
  • Over-temperature protection
  • Internal soft-start
  • Variable output voltage down to 0.8V
  • Power-good indicator
  • 28 Ld HTSSOP package
  • Pb-free plus anneal available (RoHS compliant)

描述

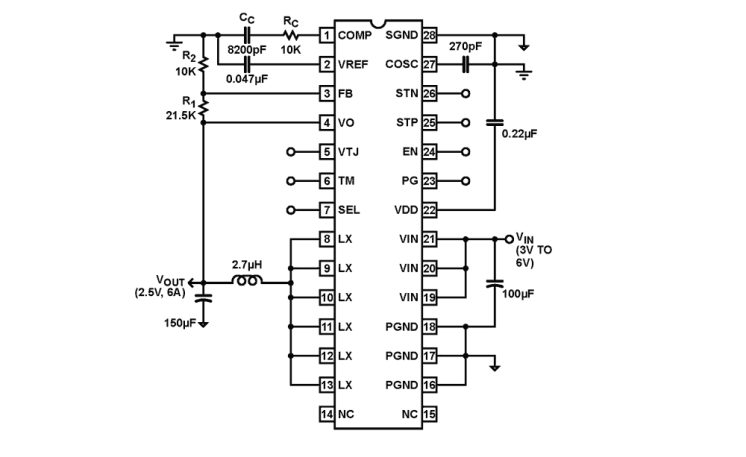
The EL7566 is a full-feature synchronous step-down regulator capable of up to 6A and 96% efficiency. The device operates from 3V to 6V input supply (VIN). With internal CMOS power FETs, the device can operate at up to 100% duty ratio, allowing for an output voltage range of 0.8V to nearly VIN. An adjustable switching frequency up to 1MHz enables the use of small components, thereby reducing board area consumption to under 0.72sq-in on one side of a PCB. The EL7566 operates in constant frequency PWM mode, making external synchronization possible. A soft-start feature is integrated in the EL7566 to limit in-rush currents and allow for a smooth voltage ramp from zero to regulation. Other start-up features are integrated to add flexibility for synchronizing many supplies in multiple configurations. The EL7566 also offers a voltage margining capability that shifts the output voltage ±5% for validation of system card performance and reliability during manufacturing tests. A junction temperature indicator conveniently monitors the silicon die temperature, saving time in thermal characterization. An easy-to-use simulation tool is available for download and can be used to modify design parameters such as switching frequency, voltage ripple, ambient temperature, as well as view schematics waveforms, efficiency graphs, and complete BOM with Gerber layout.

应用

  • Point-of-regulation power supplies
  • FPGA Core and I/O supplies
  • DSP, CPU Core, and IO supplies
  • Logic/Bus supplies
  • Portable equipment

当前筛选条件