跳转到主要内容

特性

  • 200MHz -3dB bandwidth
  • 200V/µs slew rate
  • Low supply current = 2mA
  • Supplies from 3V to 5.0V
  • Rail-to-rail output
  • Input to 0.15V below VS-
  • Fast 25ns disable (EL8100 only)
  • Low cost
  • Pb-Free (RoHS compliant)

描述

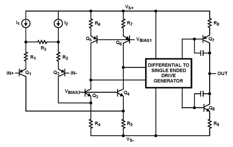
The EL8100 and EL8101 represent single rail-to-rail amplifiers with a -3dB bandwidth of 200MHz and slew rate of 200V/µs. Running off a very low 2mA supply current, the EL8100 and EL8101 also feature inputs that go to 0. 15V below the VS- rail. The EL8100 includes a fast-acting disable/power-down circuit. With a 25ns disable and a 200ns enable, the EL8100 is ideal for multiplexing applications. The EL8100 and EL8101 are designed for a number of general purpose video, communication, instrumentation, and industrial applications. The EL8100 is available in 8 Ld SO and 6 Ld SOT-23 packages and the EL8101 is available in a 5 Ld SOT-23 package. All are specified for operation over the -40°C to +85°C temperature range.

应用

  • Video amplifiers
  • Portable/hand-held products
  • Communications devices

当前筛选条件