特性
- Quad 64Gbps linear TIA Integrated SPI and analog interface
- Differential linear gain: 150Ω–5,000Ω and > 30dB dynamic range
- 40+GHz adjustable 3dB bandwidth
- Automatic and manual gain control, Output Voltage Control, Peak Detection, RSSI and Input Current Monitor, and Shutdown functionalities
- Low THD, cross talk, and power consumption for covering 64QAM applications
描述
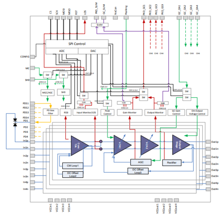
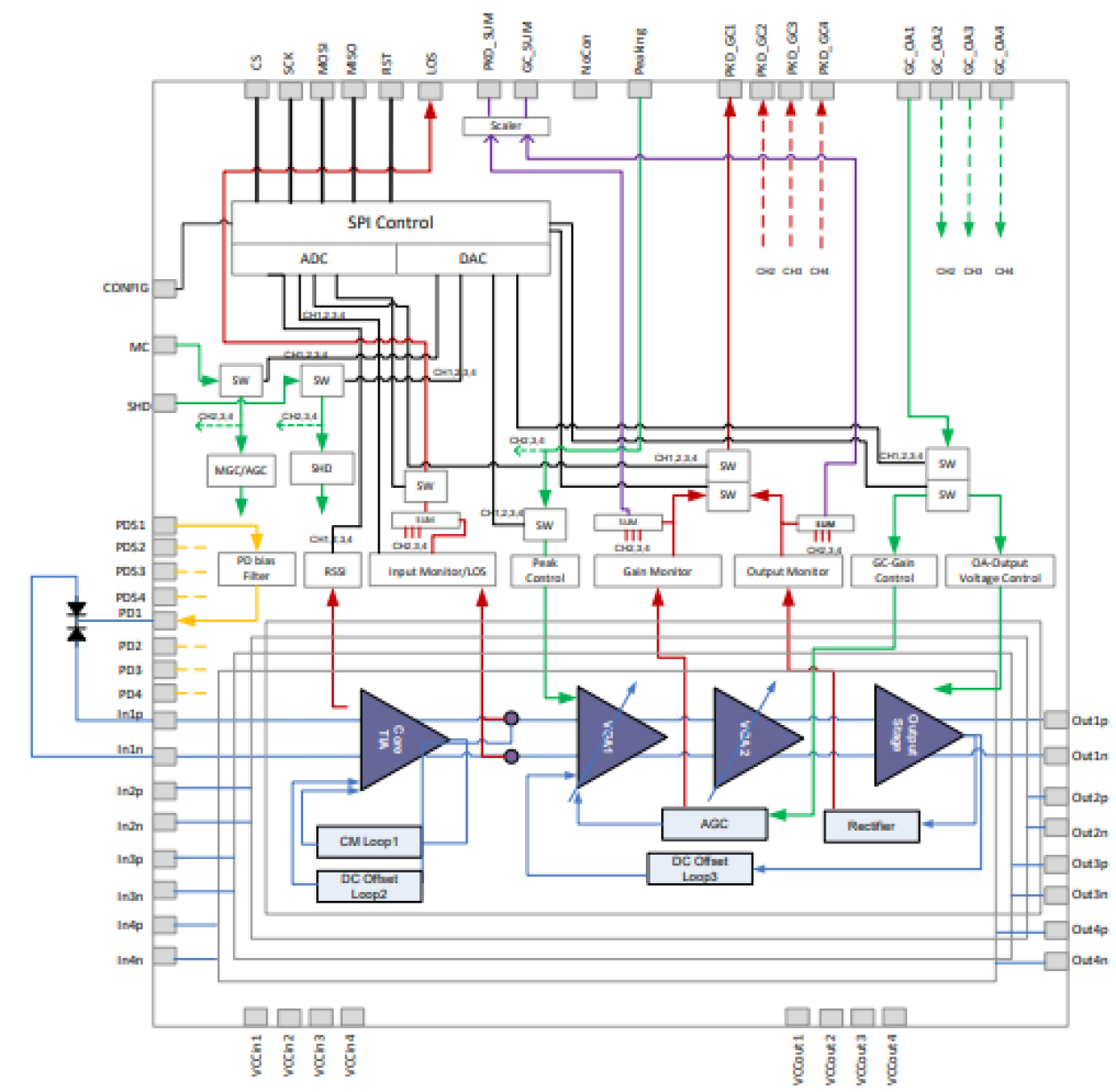
The GX36420-3 is a 64Gbps linear quad TIA chip that integrates four lanes of TIAs for XI, XQ, YI, and YQ channels, as well as digital interface circuitry for DC controls on a single die for 400G/600G coherent applications.
The TIA electrical characteristics, functions, and physical dimensions are designed for small-form factor integrated optical module such as CFP2 and CFP4.
产品参数
属性 | 值 |
---|---|
Function | Linear TIA |
Data Rate Max (Gbps) | 64 |
Channels (#) | 4 |
封装选项
Pkg. Type |
---|
WAFER |
当前筛选条件
加载中