跳转到主要内容
瑞萨电子 (Renesas Electronics Corporation)

特性

  • 3 micron radiation hardened CMOS SOS
  • Total dose 200K RAD (Si)
  • SEP effective LET no upsets: >100 MEV-cm2/mg
  • Single Event Upset (SEU) immunity < 2 x 10-9 errors/bit-day (Typ)
  • Dose rate survivability: >1 x 1012 RAD (Si)/s
  • Dose rate upset: >1010 RAD (Si)/s 20ns pulse
  • Latch-up free under any conditions
  • Military temperature range: -55 °C to +125 °C
  • Significant power reduction compared to LSTTL ICs
  • DC operating voltage range: 4.5V to 5.5V
  • Input Logic Levels
    • VIL = 30% of VCC
    • VIH = 70% of VCC
  • Input current levels Ii ≤ 5µA at VOL, VOH

描述

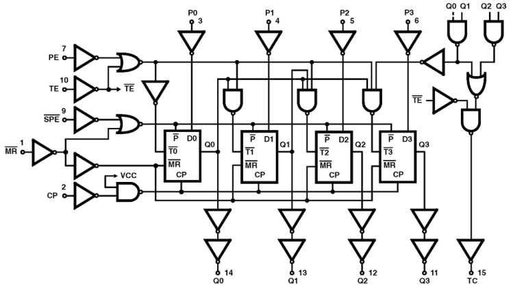
The Intersil HCS163MS is a radiation hardened synchronous presettable binary counter that features lookahead carry logic for use in high-speed counting applications. Counting and parallel load, and presetting are all accomplished synchronously with the positive transition of the clock. The HCS163MS utilizes advanced CMOS/SOS technology to achieve high-speed operation. This device is a member of the radiation hardened, high-speed, CMOS/SOS logic family. The HCS163MS is supplied in a 16-lead Ceramic Flatpack (K suffix) or an SBDIP package (D suffix).

当前筛选条件