| CAD 模型: | View CAD Model |
| Pkg. Type: | CFP |
| Pkg. Code: | KBG |
| Lead Count (#): | 16 |
| Pkg. Dimensions (mm): | 10.41 x 6.86 x 0.00 |
| Pitch (mm): | 1.27 |
| Moisture Sensitivity Level (MSL) | Not Applicable |
| Pb (Lead) Free | Exempt |
| ECCN (US) | 9A515.e.1 |
| HTS (US) | 8542.39.0090 |
| Pkg. Type | CFP |
| Lead Count (#) | 16 |
| Carrier Type | Tray |
| Moisture Sensitivity Level (MSL) | Not Applicable |
| Pitch (mm) | 1.3 |
| Pkg. Dimensions (mm) | 10.4 x 6.9 x 0.00 |
| DLA SMD | 5962R9580701VXC |
| Pb (Lead) Free | Exempt |
| Pb Free Category | Gold Plate over compliant Undercoat-e4 |
| MOQ | 25 |
| Temp. Range (°C) | -55 to +125°C |
| DSEE (MeV·cm2/mg) | SEL free |
| Length (mm) | 10.4 |
| Qualification Level | QML Class V (space) |
| Rating | Space |
| TID HDR (krad(Si)) | 200 |
| TID LDR (krad(Si)) | ELDRS free |
| Width (mm) | 6.9 |
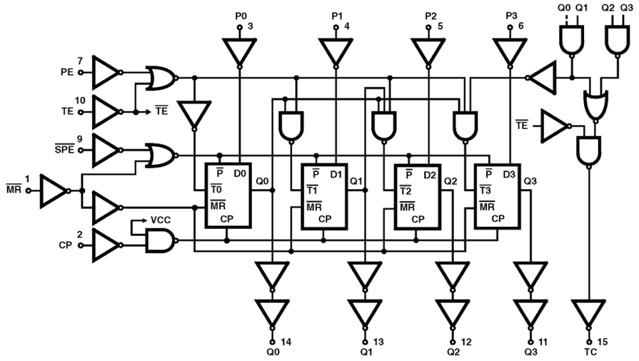
The Intersil HCS163MS is a radiation hardened synchronous presettable binary counter that features lookahead carry logic for use in high-speed counting applications. Counting and parallel load, and presetting are all accomplished synchronously with the positive transition of the clock. The HCS163MS utilizes advanced CMOS/SOS technology to achieve high-speed operation. This device is a member of the radiation hardened, high-speed, CMOS/SOS logic family. The HCS163MS is supplied in a 16-lead Ceramic Flatpack (K suffix) or an SBDIP package (D suffix).