| CAD 模型: | View CAD Model |
| Pkg. Type: | SBDIP |
| Pkg. Code: | H1K |
| Lead Count (#): | 20 |
| Pkg. Dimensions (mm): | 25.40 x 7.49 x 2.41 |
| Pitch (mm): | 2.54 |
| Moisture Sensitivity Level (MSL) | Not Applicable |
| Pb (Lead) Free | Exempt |
| ECCN (US) | 9A515.e.1 |
| HTS (US) | 8542.39.0090 |
| Pkg. Type | SBDIP |
| Lead Count (#) | 20 |
| Carrier Type | Tube |
| Moisture Sensitivity Level (MSL) | Not Applicable |
| Pitch (mm) | 2.5 |
| Pkg. Dimensions (mm) | 25.4 x 7.5 x 2.41 |
| DLA SMD | 5962-96797 |
| Pb (Lead) Free | Exempt |
| Pb Free Category | Gold Plate over compliant Undercoat-e4 |
| MOQ | 25 |
| Temp. Range (°C) | -55 to +125°C |
| CAGE code | 34371 |
| Length (mm) | 25.4 |
| Qualification Level | QML Class V (space) |
| Rating | Space |
| TID HDR (krad(Si)) | 200 |
| Thickness (mm) | 2.41 |
| Width (mm) | 7.5 |
Support is limited to customers who have already adopted these products.
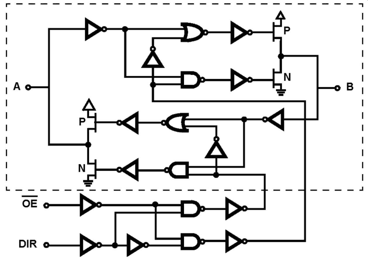
The Intersil HCS245MS is a Radiation Hardened Non-Inverting Octal Bidirectional Bus Transceiver, Three-State, intended for two-way asynchronous communication between data busses. The HCS245MS allows data transmission from the A bus to the B bus or from the B bus to the A bus. The logic level at the direction input (DIR) determines the data direction. The output enable input (OE) puts the I/O port in the high-impedance state when high. The HCS245MS utilizes advanced CMOS/SOS technology to achieve high-speed operation. This device is a member of radiation hardened, high-speed, CMOS/SOS Logic Family. The HCS245MS is supplied in a 20 lead Weld Seal Ceramic flatpack (K suffix) or a Weld Seal Ceramic Dual-In-Line Package (D suffix).