跳转到主要内容

特性

  • 3 micron radiation hardened CMOS SOS
  • Total dose 200K RAD (Si)
  • SEP effective LET no upsets: >100 MEV-cm2/mg
  • Single event upset (SEU) immunity < 2 x 10-9 errors/bit-day (Typ)
  • Dose rate survivability: >1 x 1012 RAD (Si)/s
  • Dose rate upset >1010 RAD (Si)/s 20ns pulse
  • Latch-up free under any conditions
  • Fanout (over temperature range)
  • Standard outputs - 10 LSTTL loads
  • Military temperature range: -55 °C to +125 °C
  • Significant power reduction compared to LSTTL ICs
  • DC operating voltage range: 4.5V to 5.5V
  • LSTTL input compatibility
    • VIL = 0.8V Max
    • VIH = VCC/2 Min
  • Input current levels Ii ≤ 5µA at VOL, VOH

描述

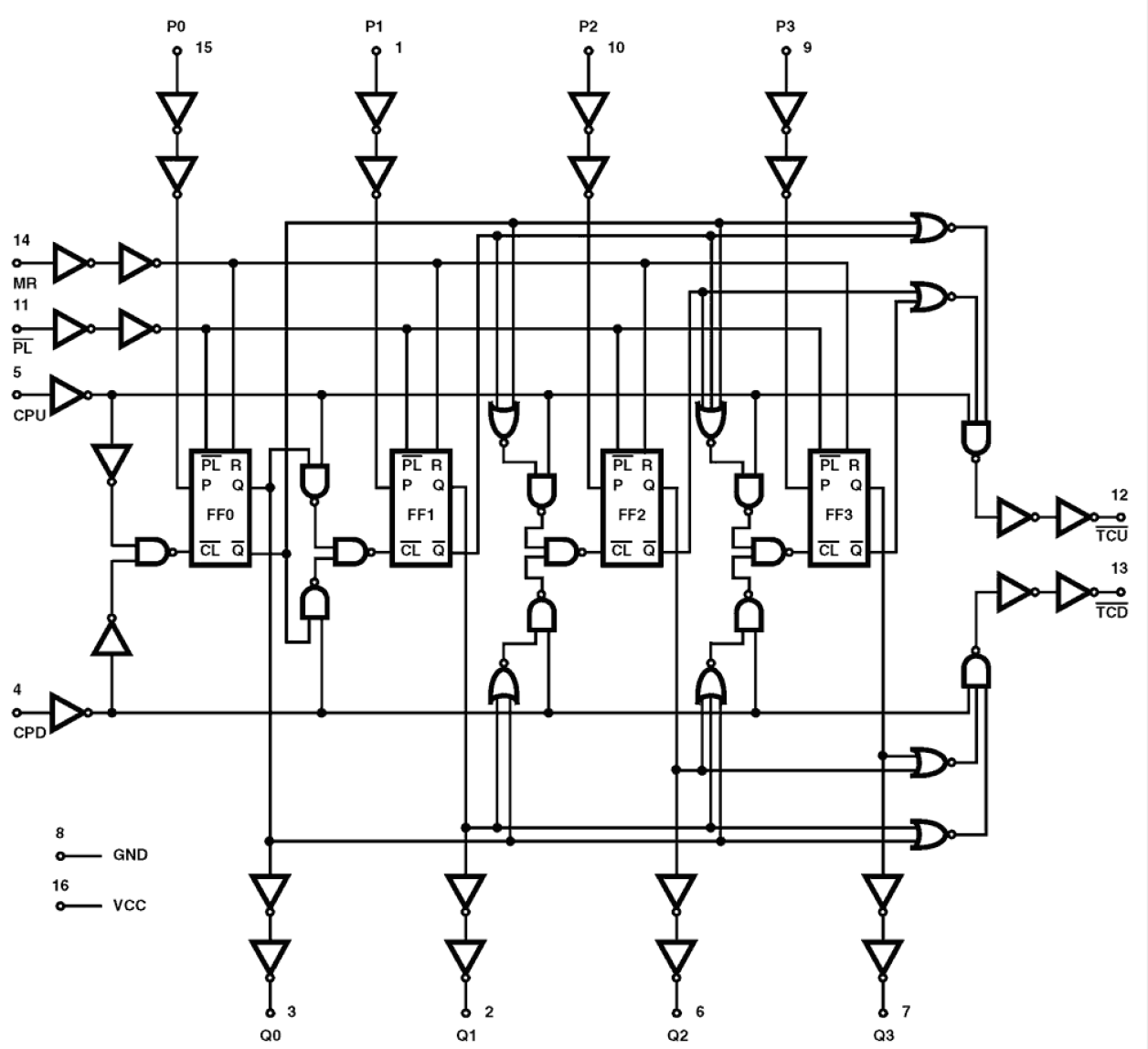
The Intersil HCTS193MS is a radiation hardened 4-bit binary up/down synchronous counter. The HCTS193MS utilizes advanced CMOS/SOS technology to achieve high-speed operation. This device is a member of the radiation hardened, high-speed, CMOS/SOS logic family. The HCTS193MS is supplied in a 16-lead ceramic flatpack (K suffix) or an SBDIP package (D suffix).

当前筛选条件