跳转到主要内容
瑞萨电子 (Renesas Electronics Corporation)

特性

  • 3 Micron Radiation Hardened CMOS SOS
  • Total Dose 200K RAD (Si)
  • SEP Effective LET No Upsets: >100 MEV-cm2/mg
  • Single Event Upset (SEU) Immunity 2 x 10-9 Errors/Bit-Day (Typ)
  • Dose Rate Survivability: >1 x 1012 RAD (Si)/s
  • Dose Rate Upset >1010 RAD (Si)/s 20ns Pulse
  • Latch-Up Free Under Any Conditions
  • Fanout (Over Temperature Range)
  • Bus Driver Outputs: 15 LSTTL Loads
  • Military Temperature Range: -55°C to +125°C
  • Significant Power Reduction Compared to LSTTL ICs
  • DC Operating Voltage Range: 4.5V to 5.5V
  • LSTTL Input Compatibility
  • VIL = 0.8V Max
  • VIH = VCC/2 Min
  • Input Current Levels Ii ≤ 5µA at VOL, VOH

描述

Support is limited to customers who have already adopted these products.

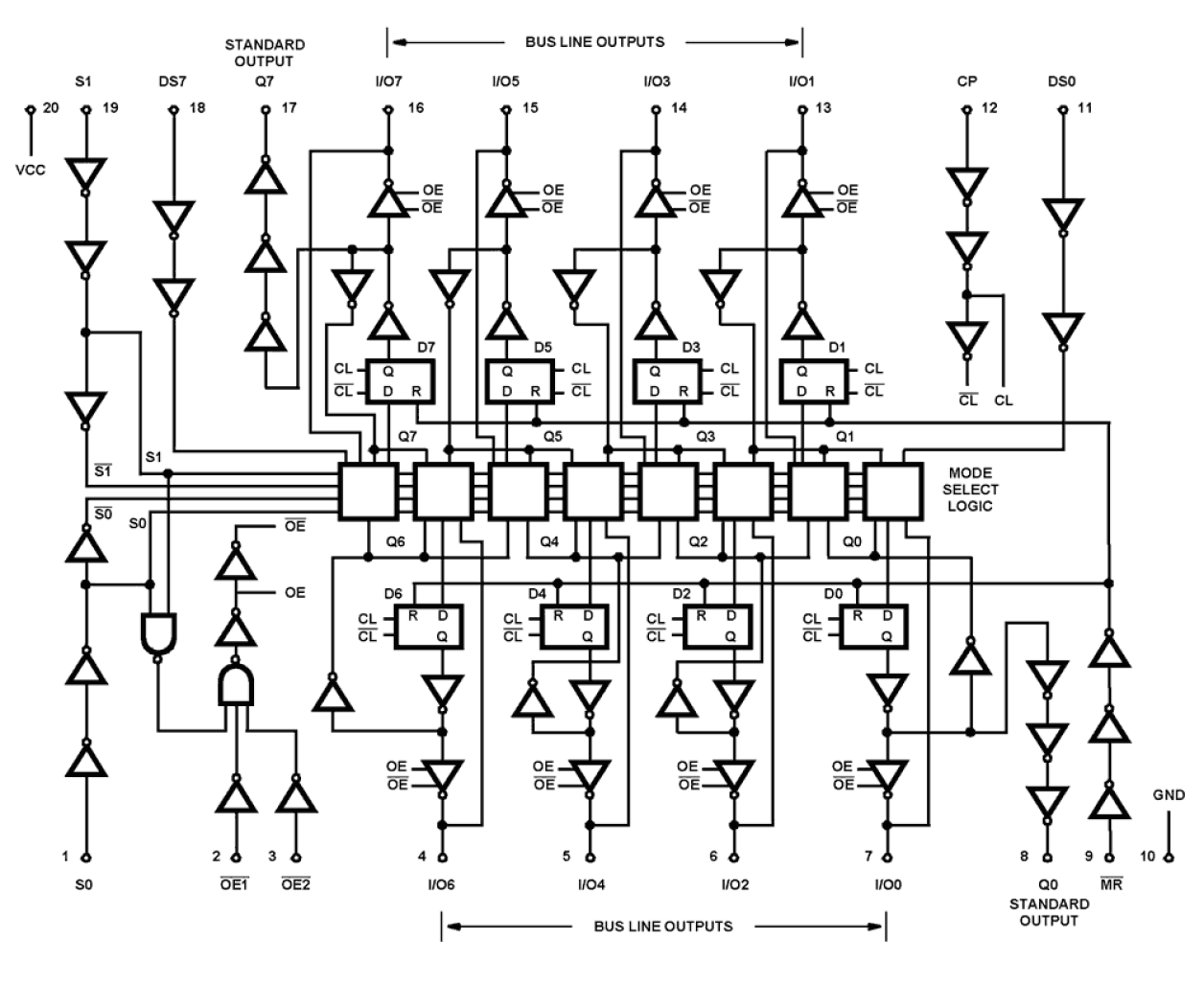
The Intersil HCTS299MS is a Radiation Hardened 8-bit shift/ storage register with three-state bus interface capability. The register has four synchronous operating modes controlled by the two select inputs (S0, S1). The mode select, the serial data (DS0, DS7) and the parallel data (IO0 - IO7) respond only to the low to high transition of the clock (CP) pulse. S0, S1 and the data inputs must be one set up time period prior to the clocks positive transition. The master reset (MR) is an asynchronous active low input. The HCTS299MS utilizes advanced CMOS/SOS technology to achieve high-speed operation. This device is a member of radiation hardened, high-speed, CMOS/SOS Logic Family with TTL input compatibility.

当前筛选条件