| CAD 模型: | View CAD Model |
| Pkg. Type: | DIE |
| Pkg. Code: | |
| Lead Count (#): | |
| Pkg. Dimensions (mm): | |
| Pitch (mm): |
| Moisture Sensitivity Level (MSL) | |
| Pb (Lead) Free | No |
| RoHS (HCTS393HMSR) | 英语日文 |
| ECCN (US) | |
| HTS (US) |
| Pkg. Type | DIE |
| DLA SMD | 5962-95750 |
| Pb (Lead) Free | No |
| MOQ | 100 |
| Temp. Range (°C) | -55 to +125°C |
| DSEE (MeV·cm2/mg) | SEL free |
| Lead Compliant | No |
| Qualification Level | QML Class V (space) |
| Rating | Space |
| TID HDR (krad(Si)) | 200 |
| TID LDR (krad(Si)) | ELDRS free |
| Tape & Reel | No |
Support is limited to customers who have already adopted these products.
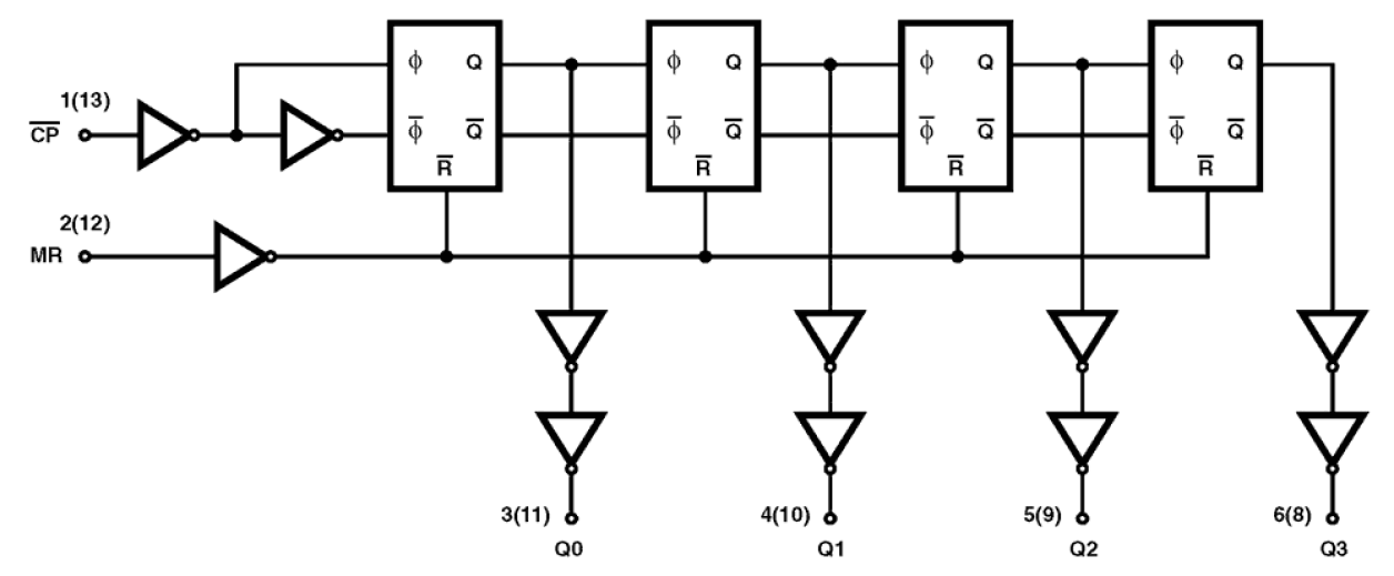
The Intersil HCTS393MS is a Radiation Hardened 4-stage ripple-carry binary counter. All counter stages are masterslave flip-flop. The state of the stage advances one count on the negative transition of each clock pulse. A high voltage level on the MR line resets all counters to their zero state. All inputs and outputs are buffered. The HCTS393MS utilizes advanced CMOS/SOS technology to achieve high-speed operation. This device is a member of radiation hardened, high-speed, CMOS/SOS Logic Family. The HCTS393MS is supplied in a 14 lead Ceramic flatpack (K suffix) or a SBDIP Package (D suffix).