跳转到主要内容
瑞萨电子 (Renesas Electronics Corporation)

特性

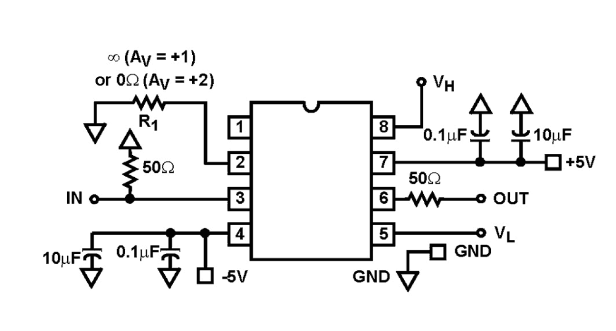
  • User Programmable for Closed-Loop Gains of +1, -1 or +2 without Use of External Resistors
  • Wide -3dB Bandwidth 850MHz
  • Very Fast Slew Rate 2400V/µs
  • Fast Settling Time (0.1%) 11ns
  • High Output Current 60mA
  • Excellent Gain Accuracy 0.99V/V
  • Overdrive Recovery 10ns
  • Standard Operational Amplifier Pinout
  • Pb-Free Plus Anneal Available (RoHS Compliant)

描述

Support is limited to customers who have already adopted these products.

The HFA1112/12A are closed loop Buffers featuring user programmable gain and ultra high speed performance. Manufactured on Intersil's proprietary complementary bipolar UHF-1 process, these devices offer a wide -3dB bandwidth of 850MHz, very fast slew rate, excellent gain flatness, low distortion and high output current. The HFA1112A is a more stable version optimized for unity gain applications. A unique feature of the pinout allows the user to select a voltage gain of +1, -1, or +2, without the use of any external components. Gain selection is accomplished via connections to the inputs, as described in the Application Information section. The result is a more flexible product, fewer part types in inventory, and more efficient use of board space. Compatibility with existing op amp pinouts provides flexibility to upgrade low gain amplifiers, while decreasing component count. Unlike most buffers, the standard pinout provides an upgrade path should a higher closed loop gain be needed at a future date. This amplifier is available with programmable output limiting as the HFA1113. For applications requiring a standard buffer pinout, please refer to the HFA1110 data sheet.

应用

  • RF/IF Processors
  • Driving Flash A/D Converters
  • High-Speed Communications
  • Impedance Transformation
  • Line Driving
  • Video Switching and Routing
  • Radar Systems
  • Medical Imaging Systems
  • Related Literature AN9507, Video Cable Drivers Save Board Space

当前筛选条件