跳转到主要内容
瑞萨电子 (Renesas Electronics Corporation)

特性

  • User Programmable Output Voltage Limits
  • Low Distortion (30MHz, HD2): -56dBc
  • -3dB Bandwidth: 850MHz
  • Very Fast Slew Rate: 2300V/µs
  • Fast Settling Time (0.1%): 11ns
  • Excellent Gain Flatness
  • (100MHz): 0.14dB
  • (50MHz): 0.04dB
  • (30MHz): 0.01dB
  • High Output Current: 60mA
  • Overdrive Recovery: <1ns
  • Pb-Free (RoHS Compliant)

描述

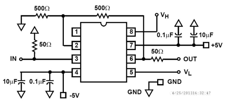
The HFA1130 is a High-Speed wideband current feedback amplifier featuring programmable output limits. Built with Intersil’s proprietary complementary bipolar UHF-1 process, it is the fastest monolithic amplifier available from any semiconductor manufacturer. This amplifier is the ideal choice for high frequency applications requiring output limiting, especially those needing ultra fast overdrive recovery times. The output limiting function allows the designer to set the maximum positive and negative output levels, thereby protecting later stages from damage or input saturation. The sub-nanosecond overdrive recovery time quickly returns the amplifier to linear operation, following an overdrive condition. The HFA1130 offers significant performance improvements over the CLC500/501/502.

应用

  • Residue Amplifier
  • Video Switching and Routing
  • Pulse and Video Amplifiers
  • Wideband Amplifiers
  • RF/IF Signal Processing
  • Flash A/D Driver
  • Medical Imaging Systems
  • Related Literature
  • AN9420, Current Feedback Theory
  • AN9202, HFA11XX Evaluation Fixture

当前筛选条件