跳转到主要内容
瑞萨电子 (Renesas Electronics Corporation)

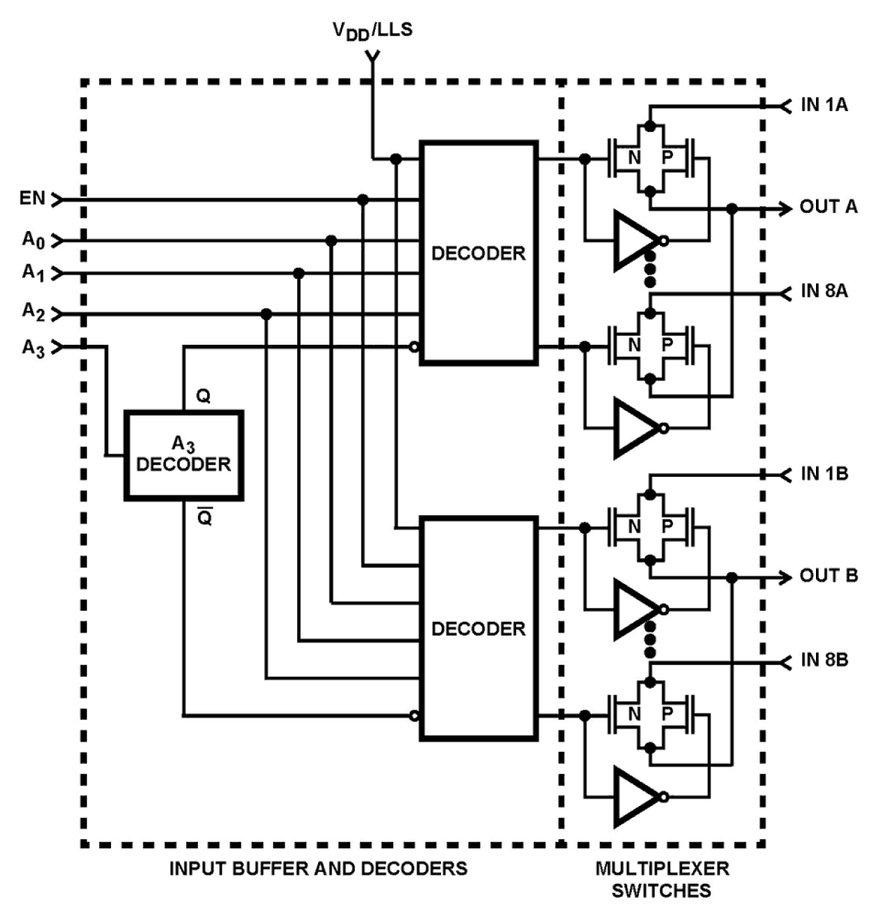
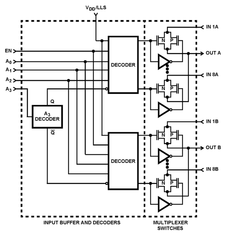
特性

  • Access Time (Typical) 130ns
  • Settling Time 250ns (0.1%)
  • Low Leakage (Typical)
  • IS(OFF) 10pA
  • ID(OFF) 30pA
  • Low Capacitance (Max)
  • CS(OFF) 10pF
  • CD(OFF) 25pF
  • Off Isolation at 500kHz 55dB (Min)
  • Low Charge Injection Error 20mV
  • Single Ended to Differential Selectable (SDS)
  • Logic Level Selectable (LLS)
  • Pb-Free Available (RoHS Compliant)

描述

Support is limited to customers who have already adopted these products.

应用

  • Data Acquisition Systems
  • Precision Instrumentation
  • Industrial Control

当前筛选条件