跳转到主要内容
瑞萨电子 (Renesas Electronics Corporation)

特性

  • Sampling Rate 40/60/75/80 MSPS
  • Low Power 325mW
  • 7.65 ENOB at 4.43MHz
  • Overflow/Underflow Three-State TTL Output
  • Operates with Low Level AC Clock
  • Very Low Analog Input Capacitance
  • No Buffer Amplifier Required
  • No Sample and Hold Required
  • TTL Compatible I/O
  • Pin-Compatible to Philips TDA8714
  • Pb-free Available

描述

Support is limited to customers who have already adopted these products.

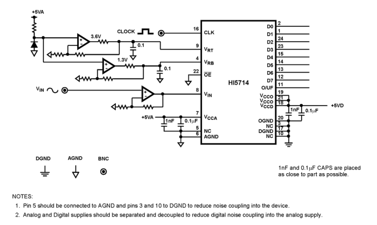
The HI5714 is a high precision, monolithic, 8-bit, Analog-to-Digital Converter fabricated in Intersil's advanced HBC10 BiCMOS process. The HI5714 is optimized for a wide range of applications such as ultrasound imaging, mass storage, instrumentation, and video digitizing, where accuracy and low power consumption are essential. The HI5714 is offered in 40 MSPS, 60 MSPS, and 75 MSPS sample rates. The HI5714 delivers ±0. 4 LSB differential nonlinearity while consuming only 325mW power (Typical) at 75 MSPS. The digital inputs and outputs are TTL compatible, as well as allowing for a low-level sine wave clock input.

应用

  • Video Digitizing
  • QAM Demodulator
  • Digital Cable Setup Box
  • Tape Drive/Mass Storage
  • Medical Ultrasound Imaging
  • Communication Systems

当前筛选条件