跳转到主要内容
瑞萨电子 (Renesas Electronics Corporation)

特性

  • Pb-free Available as an Option
  • Throughput Rate 100MSPS
  • Low Power 650mW
  • Integral Linearity Error 0.75 LSB
  • Low Glitch Energy 3.0pV-s
  • TTL/CMOS Compatible Inputs
  • Improved Hold Time 0.25ns
  • Excellent Spurious Free Dynamic Range

描述

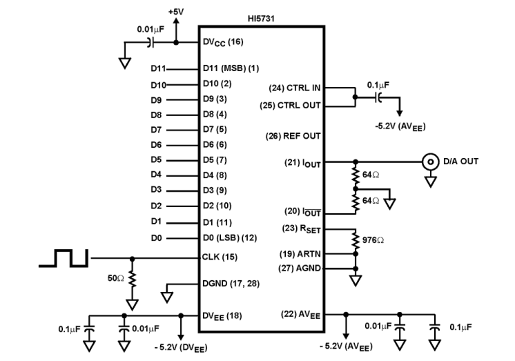
The HI5731 is a 12-bit, 100MSPS, D/A converter which is implemented in the Intersil BiCMOS 10V (HBC-10) process. Operating from +5V and -5. 2V, the converter provides -20. 48mA of full scale output current and includes an input data register and bandgap voltage reference. Low glitch energy and excellent frequency domain performance are achieved using a segmented architecture. The digital inputs are TTL/CMOS compatible and translated internally to ECL. All internal logic is implemented in ECL to achieve high switching speed with low noise. The addition of laser trimming assures 12-bit linearity is maintained along the entire transfer curve.

应用

  • Cellular Base Stations
  • GSM Base Stations
  • Wireless Communications
  • Direct Digital Frequency Synthesis
  • Signal Reconstruction
  • Test Equipment
  • High Resolution Imaging Systems
  • Arbitrary Waveform Generators

当前筛选条件