跳转到主要内容
瑞萨电子 (Renesas Electronics Corporation)

特性

  • Sampling Rate 5MSPS
  • Low Power
  • Internal Sample and Hold
  • Fully Differential Architecture
  • Full Power Input Bandwidth 100MHz
  • Low Distortion
  • Internal Voltage Reference
  • TTL/CMOS Compatible Digital I/O
  • Digital Outputs 5V to 3.0V
  • Pb-Free Available (RoHS Compliant)

描述

Support is limited to customers who have already adopted these products.

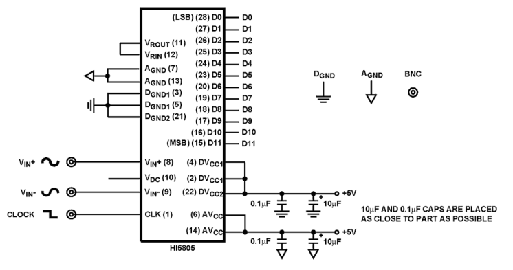
The HI5805 is a monolithic, 12-bit, Analog-to-Digital Converter fabricated in Intersil's HBC10 BiCMOS process. It is designed for high speed, high resolution applications where wide bandwidth and low power consumption are essential. The HI5805 is designed in a fully differential pipelined architecture with a front end differential-in-differential-out sample-and-hold (S/H). The HI5805 has excellent dynamic performance while consuming 300mW power at 5MSPS. The 100MHz full power input bandwidth is ideal for communication systems and document scanner applications. Data output latches are provided which present valid data to the output bus with a latency of 3 clock cycles. The digital outputs have a separate supply pin which can be powered from a 3. 0V to 5. 0V supply.

应用

  • Digital Communication Systems
  • Undersampling Digital IF
  • Document Scanners
  • Additional Reference Documents AN9214 Using Intersil High Speed A/D Converters AN9707 Using the HI5805EVAL1 Evaluation Board

当前筛选条件